Spectrum-совместимые компьютеры «Байт»,«Байт-01» и прочие раритеты

13 / 10 434

Компьютеры «Квант» и «Интер»

В наших краях (Западная Беларусь) в 90-х годах помимо «Байтов» и «Ленинградов» были широко распространены клоны Спектрума под названием «Квант» и «Интер». Хотя они имеют разные названия, на самом деле это абсолютно одинаковые компьютеры. Вот типичный образчик компьютера «Квант»:

Компьютер «Квант»
Компьютер «Квант»
Компьютер «Квант»
Компьютер «Квант»
Компьютер «Квант»

Как видно, комплектация стандартная для большинства клонов Спектрума - сам компьютер в скромном корпусе, 40-кнопочная клавиатура, источник питания, джойстик, шнуры, инструкция, кассета с несколькими играми. Коробка пенопластовая, что есть большой плюс в карму заводу-изготовителю, такие коробки куда удобнее обычных картонных.

Компьютер представляет из себя обычный ZX-Spectrum 48K. Что же касается описываемых моделей, то они отличаются наличием особых глюков, для устранения которых придётся тыкать в плату паяльником. Но не будем говорить о плохом, вернее оставим доработки на десерт.

Предприятие-изготовитель

Компьютер «Квант» выпускался заводом приборов автоматического контроля (ныне ОАО «Завод ПАК»), г. Орша. Завод существует и поныне, только, конечно же, «Кванты» давно не выпускает.

Что же касается компьютера «Интер», производителя удалось найти в руководстве по эксплуатации: НПО «Инбел», 210015, г. Витебск, ул. Ленина, д.16:

Штамп изготовителя компьютера «Интер»

А как вам такой вариант?

Компьютер «Интер» производства предприятия «Этон»
Компьютер «Интер» производства предприятия «Этон»
Компьютер «Интер» производства предприятия «Этон»

Это фотография из рекламного проспекта арендного предприятия «Этон» (г. Новолукомль). И это тоже компьютер «Интер», только с плёночной клавиатурой.

У меня складывается впечатление, что на основе одной и той же схемы клона Спектрума его выпускали несколько заводов в Беларуси. Это как минимум заводы «Пак», «Инбел» и «Этон».

Внешне различия между компьютерами «Интер» и «Квант» проявляются в разных стартовых надписях в прошивках ПЗУ:

Заставка при старте компьютера «Интер»   Заставка при старте компьютера «Квант»

А также в различном способе маркировки серийного номера:

Маркировка даты изготовления и серийного номера компьютера «Квант»

На фотографии выше - маркировка даты изготовления и серийного номера для компьютеров «Квант». Также виден логотип завода ПАК.

Маркировка серийного номера компьютера «Интер»

Маркировка серийного номера компьютера «Интер». Сомнительно, чтобы этих компьютеров было выпущено столько, что для их счёта потребовался 8-значный серийный номер. Вполне вероятно, что в таком длинном номере может быть зашифрована дата изготовления, или это единый номер вообще для всей продукции, выпускаемой предприятием.

Далее по тексту статьи я не буду делать различий между компьютерами «Квант» и «Интер» и буду их назвать просто «Квант».

Источник питания

Источник питания компьютера - внешний. Выдаёт напряжение +5В. Сделан качественно. Жаль, что не предусмотрен выключатель питания.

Источник питания компьютера «Квант»
Источник питания компьютера «Квант»
Источник питания компьютера «Квант»
Источник питания компьютера «Квант»
Источник питания компьютера «Квант»

Посмотрим что у него внутри. А внутри там обычный линейный стабилизатор напряжения на КР142ЕН5:

Источник питания компьютера «Квант»
Источник питания компьютера «Квант»
Источник питания компьютера «Квант»
Источник питания компьютера «Квант»
Источник питания компьютера «Квант»

Радиатор, на который установлен стабилизатор напряжения, имеет довольно скромный размер. Для питания самого компьютера такого источника хватает, но для подключения дополнительной периферии, например, контроллера дисковода, его мощности вряд ли хватит.

Клавиатура

У всех моих друзей и знакомых, которым посчастливилось купить «Квант», основное нарекание вызывала именно клавиатура. Конструкция её, конечно же, оригинальна, но удобства в ней мало.

Клавиатура компьютера «Квант»
Клавиатура компьютера «Квант»
Клавиатура компьютера «Квант»

С первого взгляда ничего такого - кнопки как кнопки.

Клавиатура отделена от платы листом фольгированного гетинакса для устранения наводок от платы
Клавиатура отделена от платы листом фольгированного гетинакса для устранения наводок от платы
Клавиатура отделена от платы листом фольгированного гетинакса для устранения наводок от платы

Снимаем экран, получаем доступ к плате клавиатуры.

Плата клавиатуры
Плата клавиатуры
Плата клавиатуры

Клавиатуру можно снять целиком:

Плата клавиатуры
Плата клавиатуры
Плата клавиатуры

Разбираем клавиатуру дальше. Снимаем плату с контактными площадками.

Плата клавиатуры
Плата клавиатуры
Плата клавиатуры

Кнопки остаются отдельно. По неосторожности их можно легко рассыпать и потерять пружины.

Кнопки от клавиатуры
Кнопки от клавиатуры
Кнопки от клавиатуры

Проблемы начинаются при попытке собрать клавиатуру обратно. Необходимо попасть штырьком каждой кнопки в соответствующее отверстие на плате. Жутко неудобно. Пластмассовые штырьки при этом легко ломаются. А разбирать клавиатуру приходилось часто и вот почему - дело в самой конструкции замыкающего элемента клавиатуры:

Одна клавиша от клавиатуры компьютера «Квант»

При нажатии кнопки металлический кружок у её основания замыкает контактные площадки на плате. Сами контактные площадки довольно быстро окисляются, и для срабатывания клавиши приходится с каждым разом сильнее на неё нажимать. В конце-концов это выливается в банальное битьё по клавиатуре. Если брать в расчёт эмоциональность подростков, которые из-за глючной клавиатуры не могут пройти очередной уровень в какой-нибудь игре, то клавиатуру можно было запросто сломать. Учитывая тот факт, что клавиатура крепится к корпусу всего лишь на четыре винта, и место крепления довольно «дохлое», то клавиатуры ломались.

В этом компьютере было сломано крепление клавиатуры
В этом компьютере было сломано крепление клавиатуры
В этом компьютере было сломано крепление клавиатуры

Клавиатура этого компьютера была отломана от корпуса. Для ремонта и усиления конструкции были использованы детали от детского конструктора.

При наличии прямых рук можно вообще избавиться от «родной» клавиатуры и поставить кошерные герконовые кнопки от ЕС-1841:

Компьютер «Квант» с самодельной герконовой клавиатурой
Компьютер «Квант» с самодельной герконовой клавиатурой
Компьютер «Квант» с самодельной герконовой клавиатурой

В отдельных экземплярах компьютера могли быть различия в разъёмах для джойстика и питания - вместо круглых разъёмов ОНЦ ставили какие-то совсем извратные:

Разъёмы компьютера «Квант»

Одно время у нас можно было купить пустые корпуса для «Кванта», в них даже не было отверстия для клавиатуры. Оно и к лучшему - можно было самому поставить какую угодно клавиатуру и сделать для неё аккуратное окно.

Корпус для компьютера «Квант»
Корпус для компьютера «Квант»
Корпус для компьютера «Квант»
Корпус для компьютера «Квант»
Корпус для компьютера «Квант»

В одном компьютере в качестве ПЗУ вообще поставили электрически перепрограммируемые КМ558РР3:

Компьютер «Квант» с КМ558РР3 в качестве ПЗУ
Компьютер «Квант» с КМ558РР3 в качестве ПЗУ
Компьютер «Квант» с КМ558РР3 в качестве ПЗУ

Глюки схемы и доработки компьютера

Для экспериментов по приведению компьютера в человеческий вид был выбран потрёпанный жизнью «Квант»:

Компьютер «Квант», выбранный для бесчеловечных опытов
Компьютер «Квант», выбранный для бесчеловечных опытов
Компьютер «Квант», выбранный для бесчеловечных опытов

Первое, что меня поразило при первом знакомстве с «Квантом» - это полное отсутствие привязки видеовыхода к уровню чёрного. Что это такое, я уже говорил в статье про компьютер «Ленинград». Самый типичный пример - изменение цвета PAPER в зависимости от цвета бордюра при загрузке данных с ленты:

Изменение цвета PAPER в зависимости от цвета BORDER при загрузке с ленты

Пояснение по этому видео: в самом начале ничего не видно, т.к. видеопроцессор тюнера (это оцифровка с тюнера) принимает за уровень чёрного цвета текущий цвет бордюра. Поэтому и бордюр и основной экран тёмные. После набора команды LOAD " " бордюр меняет цвет, и в зависимости от этого меняется цвет PAPER.

Поэтому правильные цвета будут только в случае, когда бордюр чёрный. Это иллюстрирует следующее видео:

Изменение цвета PAPER в зависимости от цвета BORDER

Немного пояснений: при BORDER=0 все цвета естественные. Как только мы меняем цвет бордюра, цвет экрана становится неправильным.

Надеюсь, эти два видео наглядно показывают что такое отсутствие привязки к уровню черного. К счастью, эта беда в компьютере «Квант» может быть излечена следующим образом:

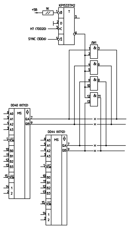
Выходные мультиплексоры DD40 и DD41 обычно устанавливаются серии КР1533КП12. Для введения привязки к уровню чёрного необходимо в разрыв их выходов включить ключ на элементах «И», который бы в нужный момент выдавал на видео логические нули, т.е. черный цвет:

Введение привязки к уровню черного в компьютере «Квант»

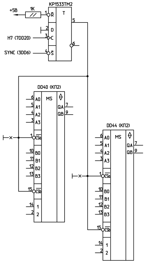
В некоторых экземплярах компьютера вместо КР1533КП12 ставили КП2. Это упрощает задачу, т.к. в данном случае можно выкинуть дополнительную микросхему ЛИ1. Схема доработки для этого случая будет такая:

Введение привязки к уровню черного в компьютере «Квант»

Теперь при работе со старыми советскими телевизорами должны быть нормальные цвета на экране. Но для подключения компьютера к новым телевизорам и ТВ-тюнерам этого мало. У «Кванта» слишком длинный строчный синхроимпульс, что сбивает с толку электронные мозги тюнеров и телевизоров. Поэтому надо строчный синхроимпульс укоротить по следующей схеме:

Укорачивание строчного синхроимпульса в компьютере «Квант»

Подбором сопротивления резистора добиваемся наилучшего качества изображения на экране.

Вышеприведенные схемы были испытаны мной при подключении «Кванта» к компьютерному ТВ-тюнеру через PAL-кодер и показали хорошие результаты.


Но этого мало. Компьютер требует ещё доработок. В «Кванте» шина данных не «подтянута» к +5В через резисторы, что вызывает появление на шине всякого мусора при чтении из несуществующих портов и в цикле подтверждения прерывания. Всё это вызывает глюки в программах. Для устранения этого достаточно припаять к шине данных 8 резисторов сопротивлением порядка 8,2К и подключить их к +5В.

Вторым этапом надо поправить схему выбора Kempston-джойстика. Изначально она сделана следующим образом:

Схема выбора kempston-джойстика в компьютере «Квант»

Как видно, из порта kempston-джойстика на шину данных будут выдаваться значения при обращении к любому порту или к ячейке памяти, в адресе которых бит A5=0. А чтобы порт kempston-джойстика не «забивал» шину данных при обращении к памяти, выходы DD7 развязаны с шиной данных через резисторы. Схема явно не самая лучшая. А при "подтягивании" шины данных резисторами к +5В kempston-джойстик и вовсе может перестать работать. Это можно с лёгкостью исправить следующим образом:

Исправление схемы выбора kempston-джойстика в компьютере «Квант»

Не забываем убрать резисторы R14-R18 и заменить их перемычками.

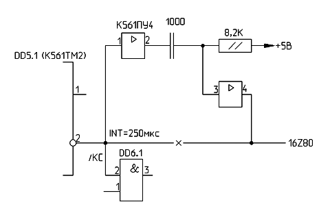
Третьим этапом надо откорректировать длительность сигнала INT, подаваемого на процессор. Дело в том, что длительность сигнала должна составлять в идеале 8мкс (28 тактов процессора). В «Кванте» же длительность сигнала INT равна длительности кадрового синхроимпульса. Я померял осциллографом и получил 250 мкс, что очень и очень много. Для выработки сигнала INT нужной длительности можно использовать следующие схемы:

Установка правильной длительности сигнала INT в компьютере «Квант»

Эта схема часто встречается в литературе. Я её сам не пробовал делать.

Установка правильной длительности сигнала INT в компьютере «Квант»

Эта доработка уже была сделана на одном из моих компьютеров прямо на заводе.

Установка правильной длительности сигнала INT в компьютере «Квант»

А вот эту схему я делал сам. Она у меня точно работает :)

В результате получился доработанный компьютер, который без проблем подключается к PAL-кодеру и безглючно работает :)

Компьютер «Квант» со всеми необходимыми доработками
Компьютер «Квант» со всеми необходимыми доработками
Компьютер «Квант» со всеми необходимыми доработками

Схемы, мануалы и прочая ерунда

Схема и монтажный чертёж платы компьютера «Интер»Эту схему я давно нашёл где-то в интернете
Ещё один монтажный чертёж платы компьютера «Интер»На чертеже есть неточности
Прошивка ПЗУ компьютера «Интер»
Прошивка ПЗУ компьютера «Квант»
Руководство по эксплуатации компьютера «Интер»Сканировал mungo для zx.pk.ru
Ещё одно руководство по эксплуатации компьютера «Интер»
Руководство по эксплуатации компьютера «Квант»
Учебно-методическое пособие для компьютера «Квант»
Различные доработки компьютера «Интер»Небольшая подборка материалов по доработкам компьютеров «Интер» и «Квант»
Расширение памяти компьютера «Интер» до 128КНебольшая подборка материалов по расширению памяти компьютеров «Интер» и «Квант» до 128К
Аннотации игровых программ к компьютеру «Квант»Описания игр, поставляемых на кассете с компьютером «Квант»
Рекламный проспект компьютера «Интер» производства завода «Этон»