Spectrum-совместимые компьютеры «Байт»,«Байт-01» и прочие раритеты

6 / 9 536

Контроллер Beta Disk Interface для ZX-Spectrum С-48

Контроллер Beta Disk Interface С-48

Контроллер дисковода под названием C-48 рассчитан на подключение к компьютерам «Ленинград» и «Балтик» (если верить сопроводительному листку). По схемотехнике почти один к одному одинаков с контроллерами от компьютера «Байт». Имеет систему ФАПЧ на ПЗУ КР556РТ4. Узел ФАПЧ одинаков с контроллерами от «Байта», соответственно прошивки ПЗУ КР554РТ4 в узле ФАПЧ тоже идентичны «байтовским».

В контроллер вместо штатной РТ4 можно установить другую с прошивкой Турбо-ВГ. Более подробно можно узнать тут.

Вероятнее всего контроллер производился в г. Минск в первой половине 90-х годов каким-то кооперативом. Цена контроллера в 1995 году была порядка 12$. На некоторых экземплярах контроллера есть надпись «Минск 1993».

В комплекте с контроллером прилагается ответная часть разъёма СНП для подключения к ZX-Spectrum.

Контроллер дисковода C-48 для ZX-Spectrum
Контроллер дисковода C-48 для ZX-Spectrum
Контроллер дисковода C-48 для ZX-Spectrum
Контроллер дисковода C-48 для ZX-Spectrum
Контроллер дисковода C-48 для ZX-Spectrum

Назначение контактов разъёмов контроллера дисковода C-48
Назначение контактов разъёмов контроллера дисковода C-48

Более ранняя разновидность контроллера С-48 под названием ″Минск-1993″
Более ранняя разновидность контроллера С-48 под названием ″Минск-1993″
Более ранняя разновидность контроллера С-48 под названием ″Минск-1993″
Более ранняя разновидность контроллера С-48 под названием ″Минск-1993″
Более ранняя разновидность контроллера С-48 под названием ″Минск-1993″

Обратите внимание, что вместо К155ЛА13 установлена К155ЛА3. Эта замена хотя и работает, но неправильна.

Также обращаю внимание на то, что в этой версииМинск-1993 контроллера не выведен на системный разъём сигнал /ROMCS (контакт B13 системного разъёма)!

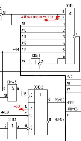
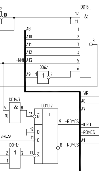
Контроллер сделан так, что при включении питания или сбросе компьютер будет всегда стартовать в TR-DOS. За это отвечает триггер DD10.2:

Узел запуска при сбросе в TR-DOS

По перепаду сигнала /RES в триггер запишется 0 (с входа D, вывод 12), сигнал /ROMCS станет равен лог.0, включится ПЗУ с TR-DOS.

В случае, если при сбросе надо попасть не в TR-DOS, а в BASIC (например если в компьютере 128К ОЗУ и стоит ПЗУ с меню 128), контроллер следует немного доработать (наподобие контроллера Б-128 для компьютера «Байт»):

Узел запуска при сбросе в меню-128

В отличие от начальной схемы при сбросе триггер DD10.2 устанавливается не в 0, а в 1, что даёт возможность стартовать меню-128. Также 11-й вывод DD13 (ЛА2) отрезается от общей схемы и на него подаётся сигнал выбора банки ПЗУ BASIC48/128 с 4-го бита порта #7FFD. Это сделано для того, чтобы в TR-DOS можно быть попасть только при включенном банке ПЗУ с BASIC-48 (4-й бит #7FFD=1).

Для чего так сделано? Для этого надо сначала понять как включается ПЗУ с TR-DOS и бейсиком. Как правило прошивка TR-DOS находится в том же ПЗУ, что и BASIC48/128. Обычно это ПЗУ объёмом 64КБ (27512). Оно состоит из 4-х банков памяти по 16КБ каждый. Раскладка банков такова:

Банк 0 (A14=0, A15=0) - не задействованВ некоторых компьютерах в этот банк помещают прошивку Gluk Reset Service, в которую можно попасть при сбросе;
Банк 1 (A14=1, A15=0) - ПЗУ TR-DOS;
Банк 2 (A14=0, A15=1) - Меню-128;
Банк 3 (A14=1, A15=1) - BASIC-48.

A14 и A15 - это выводы ПЗУ 27 и 1 соответственно. На A14 подаётся 4-й бит порта #7FFD, а на A15 подаётся сигнал /ROMCS с контроллера дисковода.

Если бы 11-й вывод ЛА2 остался соединённым с 12-м выводом, то может возникнуть ситуация, когда мы захотим попасть в TR-DOS находясь в банке ПЗУ с меню-128, при этом у нас включится банк 0 ПЗУ (A14=0, A15=0), в котором нет TR-DOS, что приведёт к различным глюкам. Это всё вследствие упрощённого управления включением ПЗУ с TR-DOS - мы переключаем ПЗУ только по одному биту шины адреса A15 и не учитываем состояние бита A14! А вот если мы подадим на 11-й вывод ЛА2 сигнал с 4-го порта #7FFD, то ПЗУ TR-DOS включится только в случае, когда A14 на ПЗУ будет в 1, т.е. мы гарантированно попадём в банк 1 ПЗУ.

Контроллер дисковода C-48 у меня работает с компьютерами «Ленинград-1» и SpeccyBob. Также будет работать с «Байтами». Кроме того удалось подключить этот контроллер к игровой приставке «Эльф» (у меня есть отдельная переделанная приставка с клавиатурой и контроллером дисковода, на которой я отлаживаю адаптации игр от ZX-Spectrum для приставки «Эльф»).

Скачать:
Схема контроллера BDI С-48 (составлена мной по готовому изделию)Схема, монтажный чертёж платы, фотографии, прошивка для ПЗУ ФАПЧ КР556РТ4
Ещё одна схема контроллера BDI С-48, найденная где-то в интернете
Файл разводки печатной платы контроллера C-48 для заказа на изготовлениеАвторы - Oracleua, Zorel