Spectrum-совместимые компьютеры «Байт»,«Байт-01» и прочие раритеты

10 / 14 615

Доработки видеовыхода компьютера «Ленинград-1»

Список доработок, описанных на этой странице:

Компьютер прост до безобразия. Однако у простоты и связанных с этим малых затрат на изготовление есть оборотная сторона медали - компьютер требует некоторой доводки для нормальной эксплуатации. В первую очередь это касается подключения компьютера к современным телевизорам и PAL-кодеру.

Серьёзный недостаток этого компьютера проявился не сразу, а по мере исчезновения из эксплуатации советских телевизоров и постепенной замене их на жки-телевизоры и ТВ-тюнеры. У «Ленинграда» нестандартный видеовыход. Как минимум это проявляется в отсутствии привязки к уровню чёрного и сильно длинном строчном синхроимпульсе. При подключении «Ленинграда» к моему ТВ-тюнеру последний не показывал вообще ничего. Немудрено - тюнер ожидает, что ему будут подавать на вход нормальный видеосигнал. Советские же телевизоры были всеядны - показывали всё, что ни подадут на видеовход.

В этой статье приведены некоторые доработки видеовыхода «Ленинграда-1», которые могут помочь получить качественное изображение при подключении компьютера к современным телевизорам, мониторам или ТВ-тюнерам. Некоторые из доработок даны в нескольких вариантах. Какие-то доработки я проверял сам. И, к сожалению, нет гарантий, что всё у вас заработает сразу же. Статья не претендует на полноту всех возможных доработок. Я всего лишь собрал некоторые из них.

Привязка к уровню чёрного

Немного про привязку к уровню черного (применимо к «Ленинграду» правильнее будет говорить «введение импульса гашения»). Этот страшный термин означает, что при обратном ходе луча сигналы на RGB-выходе компа должны показывать черный цвет, чтобы телевизор "запомнил" этот уровень и считал его уровнем черного цвета. В «Ленинграде» такого не было. Из-за этого на советских телевизорах в зависимости от цвета бордюра менялся цвет самого экрана, который внутри бордюра. Это было не очень приятно. А ТВ-тюнеры или PAL-кодер такое безобразие не понимают вообще.

Привязку можно сделать несколькими способами.

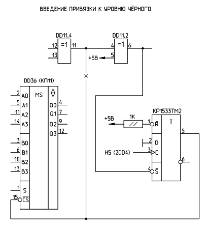
Способ №1. Достаточно ввести в схему один триггер (эту схему я взял с форума zx.pk.ru):

Доработка компьютера «Ленинград» для привязки к уровню черного

Способ №2: по вышеприведенной доработке будут хорошо показывать ЭЛТ телевизоры, но на современных ЖК телевизорах может появиться чёрная полоса левее границы бордюра, поэтому в схему лучше подавать не сигнал H5, а смесь из сигналов H3 и H4 (на схеме красным цветом показаны имеющиеся в схеме компьютера элементы и соединения, а чёрным цветом - элементы и проводники, которые необходимо допаять или убрать):

Доработка компьютера «Ленинград» для привязки к уровню черного

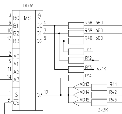
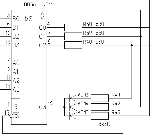
Выходной мультиплексор DD36 устанавливается обычно типа КР1533КП11. В особо запущенных случаях ставят КП14 (он с инверсией сигналов на выходах):

Выходной мультиплексор КР1533КП11

Правильнее будет, если этот мультиплексор будет не КП11, а КП16: у него по приходу гасящего импульса (когда на вывод 15 подаётся лог.1) выходы устанавливаются в лог.0, что соответствует черному цвету. В отличие от КП16 у КП11 при подаче лог.1 на 15-й вывод выходы переходят в Z-состояние (попросту отключаются). При этом черный цвет не формируется. Чтобы исправить эту недоработку достаточно «заземлить» выходы КП11 через резисторы R' сопротивлением порядка 1 КОм:

Выходной мультиплексор КР1533КП11 с резисторами

Укорачивание длительности строчного синхроимпульса

По ТВ-стандарту строчный синхроимпульс должен быть длиной 4,7 мкс. На деле в «Ленинграде» он раза в три длиннее.

Укоротить длительность строчного синхроимпульса можно несколькими способами:

Способ №1: по схеме с сайта aka-richi.narod.ru (к сожалению сайт уже не работает). Для этого потребуется одна микросхема ЛА2 или ЛА1:

Укорачивание длительности строчного синхроимпульса в компьютере Ленинград (изображение с сайта aka-richi.narod.ru)

В одном из «Ленинградов» этот вариант у меня работать отказалсяПри этом в другом экземпляре «Ленинграда» эта схема отлично сработала.. Вероятнее всего причина кроется в том, что «Ленинграды» собраны на дикой смеси микросхем самых разных типов (К155, К555, КР1533, КР531). Для подобных конструкций характерны различные временные задержки распространения сигналов, что требует в свою очередь установки конденсаторов для задержки сигналов в разные места платы компьютера. Поэтому на одном экземпляре схема будет работать верно, на другом - не заработает.

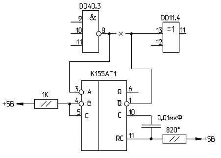
Способ №2: выполнить формирователь синхроимпульса нужной длительности на одновибраторе АГ1:

Укорачивание длительности строчного синхроимпульса в компьютере Ленинград

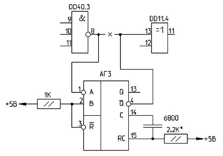
Или на АГ3:

Укорачивание длительности строчного синхроимпульса в компьютере «Ленинград»

RC-цепочкой выставляется требуемая длительность импульса. Контроль ведётся либо по осциллографу, либо визуально по изображению на экране. Главное требование - к типу конденсатора. Это не должен быть так называемый «флажок» или керамика. Нужен конденсатор с минимальным ТКЕ, чтобы его емкость не «поплыла» от изменения температуры.

Я ставил конденсаторы К73-9:

Конденсаторы К73-9

По схеме с одновибратором АГ1 или АГ3 я успешно доработал четыре «Ленинграда».

Способ №3 (самый простой): на диодах и RC-цепочке:

Укорачивание длительности строчного синхроимпульса в компьютере «Ленинград»

Можно применить диоды Шоттки.

Устраняем искажения бордюра

В «Ленинграде» может наблюдаться несколько неприятный эффект волнообразного «плавания» границы основного поля экрана при выводе полос на бордюр:

Волнообразное искажение границы экрана при полосах на бордюре

Вариант №1: Автор этой схемы - Jackson. Ему отдельная благодарность за это :)

Для доработки понадобятся три дополнительных микросхемы (ЛА1, ЛИ1 и ТМ2) и перерезка трёх проводников на плате.

Доработка времянок видеовыхода «Ленинград-1»

Красным цветом показаны уже имеющиеся в компьютере микросхемы и проводники. Эта доработка была лично опробована мной и показала свою работоспособность. При выводе полос на бордюр граница изображения не искажается:

Искажения границы экрана при полосах на бордюре отсутствуют

Вариант №2: предыдущую схему можно упростить, сократив одну микросхему (сам я не проверял работоспособность этого варианта):

Доработка времянок видеовыхода «Ленинград-1»

Убираем чёрную полосу с экрана

При предыдущей доработке на моём экземпляре компьютера был глюк с появлением черной полосы:

Черная полоса на экране

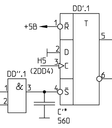
Оказалось, что это результат несколько раннего прихода отрицательного импульса на вход 4DD'.1 (ТМ2), в результате чего появляется дополнительный импульс гашения, который вызывает появление черной полосы на экране.

Опять же в другом экземпляре «Ленинграда» такого глюка не было. Поэтому вполне возможно, что каждый экземпляр компьютера при доработке потребует индивидуального подхода. В моём случае глюк излечился задержкой сигнала, подаваемого на вход 4DD'.1 (ТМ2), при помощи конденсатора:

Задержка импульса

Устранение «подёргивания» кадров

При подключении «Ленинграда» к PAL-кодеру может наблюдаться подёргивание кадров:

Подёргивание кадров

Этот глюк «лечится» опять же установкой конденсатора:

Устранение дерганья кадров

На некоторых готовых компьютерах эта доработка уже сделана:

Доработка на плате Ленинград-1

Устранение искажения прорисовки окружностей

Известный глюк, при котором нарушается целостность прорисовки символов и линий:

Глюки при рисовании окружностей

Причина глюка - слишком ранний приход сигнала /SCR на сдвигающий регистр DD33 (ИР9). В общем случае это лечится установкой RC-цепочки в разрыв сигнала /SCR:

Задержка сигнала /SCR

Обычно эта доработка уже сделана на плате:

Задержка сигнала /SCR

Однако бывает, что не установлен резистор, что сводит эффект от доработки к нулю. На изображении ниже резистор не припаян:

Неправильная задержка сигнала /SCR

Для правильной доработки достаточно разрезать дорожку и припаять резистор так, как показано на рисунке:

Правильная задержка сигнала /SCR

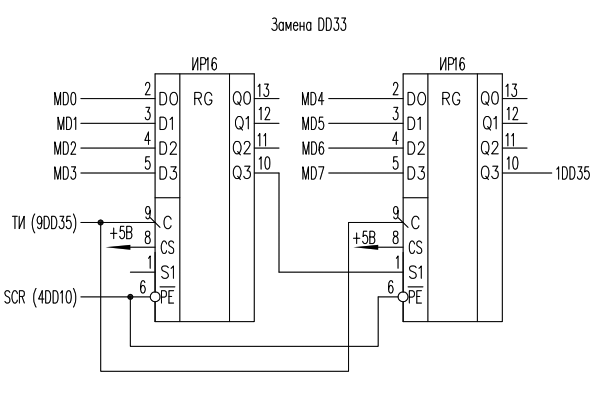
Кроме того вместо RC-цепочки можно заменить целиком DD33 на две микросхемы ИР16, как это уже сделано в разновидности «Ленинград-1» под названием «Композит»:

Замена DD33


Это ещё не все доработки. Продолжение - в следующей статье.

Всякая всячина для скачивания

Схема компьютера «Ленинград-1»Эту схему я чертил очень давно со схемы из книги «Практические советы пользователю компьютера ZX-Spectrum»
Расширение памяти компьютера «Ленинград-1» до 256КСхема проверенная. По ней я делал расширение памяти одному из своих «Ленинградов»
Руководство по эксплуатации компьютера «Ленинград-1»Такое руководство было с моим первым компьютером
Статьи с описанием различных доработок компьютера «Ленинград»Статьи из журналов «Радиолюбитель»
Подборка материалов по расширению памяти компьютера «Ленинград-1» до 128КСтатьи из ZX-Ревю и других изданий
Наклейки на клавиатуру «Ленинграда»
svg-файл с наклейками на клавиатуру для «Ленинград-1»Автор: Guntars Strogonovs
ZX-Spectrum. Практические советы пользователю компьютера (НПЦ "Тинопос", Новополоцк, 1992)Описание сборки, настройки компьютеров Pentagon-48 и Ленинград-1, а также их доработок и дополнительной самодельной периферии
Ссылки:
Ленинград-1 на сайте SBLive.Narod.ru