Spectrum-совместимые компьютеры «Байт»,«Байт-01» и прочие раритеты

10 / 3 721

КА1515ХМ1-216 (Т34ВГ1)

Представляет собой этакое подобие ULA для ZX-Spectrum, только отечественной разработки. История появления этой микросхемы БМК хорошо рассказана на сайте 155la3, а также в книге Б. Малашевича «Зеленоградские бытовые и школьные компьютеры»

Число 216 в обозначении микросхемы - это «номер прошивки», означающий, что это микросхема для построения Спектрум-совместимых компьютеров.

В этой статье я коснусь вопросов практического применения Т34ВГ1 для построения ZX-Spectrum. Всю информацию я подчерпнул путём составления схем нескольких компьютеров на БМК и их анализа.

Т34ВГ1 представляет собой базовый матричный кристалл (БМК), выполненный в корпусе QFP64:

Т34ВГ1
Т34ВГ1
КА1515ХМ1-216
КА1515ХМ1-216
Т34ВГ1
КА1515ХМ1-216

Т34ВГ1
Т34ВГ1
КА1515ХМ1-216
КА1515ХМ1-216
Т34ВГ1
КА1515ХМ1-216

Раположение выводов Т34ВГ1

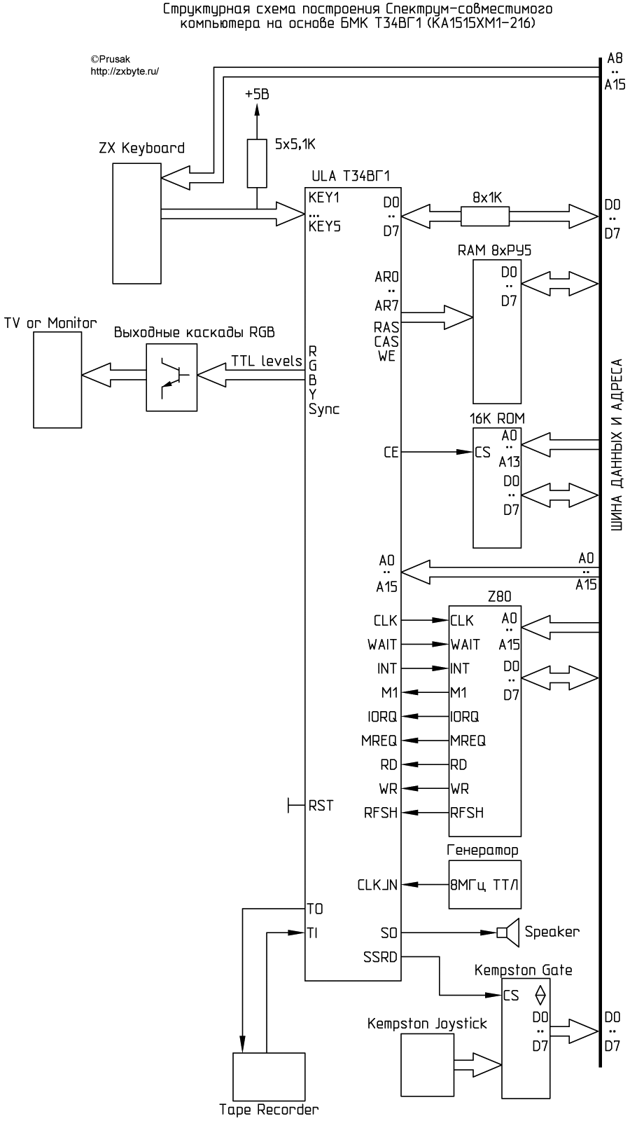
Для построения Спектрума на Т34ВГ1 требуется по сути соединить между собой через одноименные контакты процессор, 16К ПЗУ, 64К ОЗУ (8 микросхем РУ5 или две микросхемы РУ11), клавиатуру и (при необходимости) Kempston джойстик. В схематичном виде это можно представить следующим образом:

Структурная схема построения спектрум-совместимого компьютера на основе Т34ВГ1
Структурная схема построения спектрум-совместимого компьютера на основе Т34ВГ1
Структурная схема построения спектрум-совместимого компьютера на основе Т34ВГ1

В качестве реально работающих примеров можно посмотреть схемы компьютеров Ратон-9003, Эльф, Пик.

Назначение выводов Т34ВГ1

Назначение выводов Т34ВГ1

Все входы и выходы Т34ВГ1 рассчитаны на работу с ТТЛ-уровнями.

  • 0V и UCC - выводы питания +5В.
  • RST - судя по всему вход сброса. Активен при подаче на него лог.1. В известных мне моделях Спектрума на БМК этот вывод постоянно подключен к общему проводу.
  • A0-A15 - входы шины адреса. Соединяются с шиной адреса процессора.
  • D0-D7 - двунаправленные линии шины данных. С шиной данных процессора и ОЗУ должны соединяться через резисторы сопротивлением порядка 470 Ом - 1К. К примеру можете посмотреть как это сделано в компьютере Ратон-9003:

    Подключение Т34ВГ1 к шине данных в компьютере Ратон-9003

  • R,G,B,Y,S - выходы видео. R,G,B - цветовые сигналы, Y - яркостной сигнал (1-повышенная яркость, 0-нормальная яркость), S - синхросигнал. Напомню - эти сигналы с ТТЛ-уровнями, напрямую их нельзя подключать к телевизору!

    Кроме того будет показываться яркость для черного цвета. Как избавиться от этого глюка, можете узнать здесь.

  • AR0-AR7 - выходы адресной шины для подключения динамического ОЗУ объёмом 64К. ОЗУ может быть построено как на восьми микросхемах КР565РУ5, так и на двух КР565РУ11 (аналог 4464). К примеру, приставка Эльф построена на двух КР565РУ11.
  • /RAS, /CAS, /WE - выходы управляющих сигналов для динамического ОЗУ. Соединяются с одноименными входами микросхем ОЗУ.
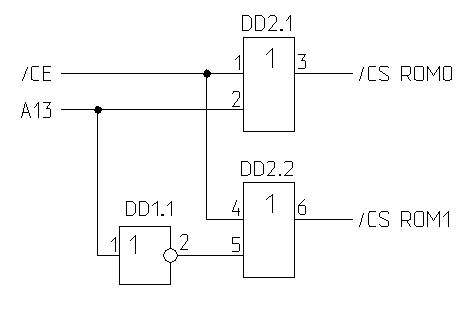
  • /CE - выход выбора ПЗУ. На нём вырабатывается сигнал низкого логического уровня при чтении адресного пространства #0000-#3FFF. При записи данных в область #0000-#3FFF сигнал /CE не формируется!

    Этот сигнал подключается к входу выбора (/CS) микросхемы ПЗУ, используемой в компьютере. Микросхема может быть как одна (объёмом 16К), так и две микросхемы объёмом по 8К. В этом случае помимо сигнала /CE следует самому дополнить их дешифрацию в зависимости от уровня сигнала A13 шины данных:

    Дешифрация двух микросхем ПЗУ для подключения к Т34ВГ1

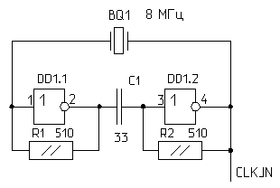
  • CLK_IN - Вход тактовой частоты 8МГц от внешнего кварцевого генератора. Напрямую сюда кварц нельзя подключать! Нужен собственный генератор наподобие такого:

    Тактовый генератор для Т34ВГ1

  • CLK - выход частоты 4МГц для подачи на процессор Z80. Да-да, при использовании Т34ВГ1 тактовая частота процессора будет не 3,5МГц, как в «обычном» Спектруме, а 4Мгц. Тактовая частота для процессора формируется внутри Т34ВГ1 (вероятнее всего просто делится входная частота 8МГц на два) и подаётся на процессор.
  • /INT - выход маскируемого прерывания. Подключается к одноименному входу процессора. Активный логический уровень - низкий.
  • /WAIT - выход для «торможения» процессора на момент вывода изображения на экран. Соединяется с одноименным входом процессора. Активный логический уровень - низкий.
  • /M1, /IORQ, /MREQ, /RD, /WR, /RFSH - входы одноименных сигналов с процессора.
  • KEY1-KEY5 - входы сигналов порта клавиатуры. Клавиатурный порт с адресом #FE уже выполнен внутри Т34ВГ1. Достаточно только подать на микросхему сигналы с клавиатуры и больше ничего делать не надо. Кроме того входы KEY1-KEY5 следует «подтянуть» к +5В через резисторы сопротивлением с несколько килоом. Вход KEY1 соответствует линии данных D0 клавиатуры, KEY2 - D1 и т.д.
  • TI - магнитофонный вход. Соответствует биту D6 порта #FE. Опять же на этот вход нужно подавать сигнал с ТТЛ уровнем после входного формирователя. Внутри ВГ1 значение этого бита инвертируется. То есть при никуда не подключенном входе TI из 6-го бита порта #FE будет читаться 0!
  • SO, TO - выходы звука и записи на магнитофон. Соответствуют битам 4 (SO) и 3 (TO) порта #FE. Эти выходы с ТТЛ уровнями. Сигнал прямой, не инвертирован. Т.е. если записать в биты 4 и 3 порта #FE лог.0, то и на выходах SO, TO будет лог.0.
  • /SSRD - выход выборки чтения служебного порта. Лог.0 на нём означает, что идёт чтение содержимого порта. Этот порт в Спектрумах, сделанных на БМК, обычно служит подключения Kempston-джойстика. Для этого потребуется дополнительный буфер (к примеру на КР1533АП3, АП5, АП6 и т.д.). К примеру, вот как сделан Kempston-джойстик (порт #1F) в компьютере «Ратон-9003»:

    Kempston джойстик в компьютере «Ратон-9003»

  • К слову, такое использование сигнала /SSRD не совсем правильное из-за того, что в его формировании не участвует бит A5. По вышеприведенной схеме джойстик будет «откликаться» на чтение любых портов, в которых A7=0 и A0=1. По-хорошему надо или дополнить выборку джойстика по биту A5, либо делать собственную схему формирования чтения порта #1F.

  • /SSWR - выход записи в служебный порт. Этот порт выбирается при A7=0, A0=1, т.е. по двум битам шины адреса. В обычном Спектруме порт с таким адресом не используется, поэтому этот выход обычно никуда не подключен.
  • Карта внутренних портов Т34ВГ1

    Биты Адрес Режим Описание
    76543210
    0 x x x x x x 1 -WriteСлужебный порт (/SSWR)
    0 x x x x x x 1 -ReadСлужебный порт (/SSRD)
    1 1 1 1 1 1 1 0 #FE (254dec)ReadКлавиатура/магнитофон
    1 1 1 1 1 1 1 0 #FE (254dec)WriteБордюр/звук/вывод на магнитофон

    Серым цветом выделены биты, по которым производится дешифрация адреса.