Spectrum-совместимые компьютеры «Байт»,«Байт-01» и прочие раритеты

8 / 8 305

Прочие доработки компьютера «Ленинград-1»

Список доработок, описанных на этой странице:

  • Запрет записи в область ПЗУ
  • Использование кварцевых резонаторов с различными частотами
  • Замена двух микросхем ПЗУ на одну
  • Запрет записи в область ПЗУ

    Первый косяк «Ленинграда», с которым я столкнулся, был при расширении памяти до 128К. Проявляется он в том, что при попытке изменения значения любой ячейки памяти в области ПЗУ (#0000-#3FFF) портится 0-й банк ОЗУ, из-за чего у меня на «Ленинграде» не хотела работать игра НЛО-2.

    Для устранения этого глюка достаточно сделать небольшую доработку, которая запрещает выработку сигнала записи в ОЗУ при обращении к адресам #0000-#3FFF:

    Доработка компьютера «Ленинград» для запрета записи в область ПЗУ

    Кстати, о расширении. Для расширения памяти до 128К годилась любая из продаваемых у нас в Минске плат расширения (BC-1, C-1, Б-1). Только в сопроводительной документации к платам расширения ни слова не сказано про необходимость доработки «Ленинграда» для запрета записи в область ПЗУ. Я пробовал как все вышеназванные платы, так и расширение на макетке. Кроме этого я успешно опробовал расширение памяти до 256К (ссылка на схему есть в конце этой статьи).

    Использование кварцевых резонаторов с различными частотами

    «Ленинград-1» рассчитан на использование кварцевого резонатора с частотой 13,5 МГц - 14,5 МГц (из его частоты путём деления на 4 получается тактовая частота процессора). Желательно, чтобы частота резонатора была кратной 500 КГц - 15000, 14500, 14000, 13500, 13000 КГц. При этом есть возможность получить требуемые частоты синхроимпульсов видеовыхода в 50 и 15625 Гц. Это делается путём изменения коэффициента деления счётчика DD4 (КР1533ИЕ7).

    Внимание!
    Методом изменения коэффициента деления счётчика DD4 конечно же можно получить приемлемые частоты синхросигнала на видеовыходе «Ленинграда», однако при этом меняются другие временные параметры схемы, из-за чего меняется положение и размеры основного поля экрана и, самое главное - тактовая частота процессора, из-за чего возможны проблемы с совместимостью, загрузкой с ленты и т.п.

    Вся теория относительно включения счётчика DD4 хорошо изложена на форуме zx.pk.ru (за авторством Garryadmin), за что ему особая благодарность.

    Суть такова: счётчик DD4 считает импульсы за два захода. Первый раз - все 16 импульсов, и второй раз 16-N импульсов, где N-число, выставленное на его входах предварительной установки. Для получения частоты строчного синхроимпульса нужно разделить частоту кварца на общий коэффициент деления схемы компьютера включая счётчик DD4. Общий коэффициент деления равен:

    K=2триггер DD2.1 делит импульсы на 216счётчик DD3 делит входные импульсы на 16(16+16-N)это ранее посчитанный коэффициент деления счётчика DD4

    У нас есть уравнение с одним неизвестным параметром. Имеем: кварц с частотой Fz и требуемую частоту строчной синхронизации Fs. Требуется найти тот коэффициент деления K, который обеспечит на выходе компьютера стандартную частоту строчной синхронизации Fs=15625 Гц. Он рассчитывается по формуле:

    Расчёт коэффициента деления

    Если подставить в формулу ранее полученное значение (16+16-N), то чтобы найти N мы получаем следующее выражение:

    Расчёт значения начальной установки счётчика DD4

    Отсюда видно, что для получения точного значения строчной частоты 15625 Гц частота кварца должна быть кратна 500 КГц.

    Интереса ради для кварца частотой 14000 КГц и выставленном коэффициенте пересчёта 4 строчная частота, измеренная самодельным частотомером, составила 15620 Гц, что с учётом погрешности частотомера очень даже неплохо.

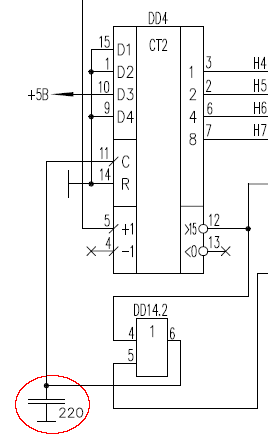
    Обращаю внимание, что для правильной работы DD4 в компьютере должен быть установлен конденсатор ёмкостью порядка 220 пФ как показано на рисунке:

    Конденсатор, необходимый для правильной работы счётчика DD4

    Теоретически мы можем использовать кварцевые резонаторы со следующими 16 частотами:

    Fz, КГц N N (на DD4)
    бит 3 (N) бит 2 (N) бит 1 (N) бит 0 (N)
    9 вывод DD4 10 вывод DD4 1 вывод DD4 15 вывод DD4
    16 000 0 0 0 0 0
    15 500 1 0 0 0 1
    15 000 2 0 0 1 0
    14 500 3 0 0 1 1
    14 000 4 0 1 0 0
    13 500 5 0 1 0 1
    13 000 6 0 1 1 0
    12 500 7 0 1 1 1
    12 000 8 1 0 0 0
    11 500 9 1 0 0 1
    11 000 10 1 0 1 0
    10 500 11 1 0 1 1
    10 000 12 1 1 0 0
    9 500 13 1 1 0 1
    9 000 14 1 1 1 0
    8 500 15 1 1 1 1

    На практике же допустимый предел частоты кварцевого резонатора находится в пределах от 12500 до 14500 КГц, и то при низких значениях частоты кварца экран сдвигается вправо настолько, что почти не виден бордюр справа, а при высоких значениях частоты кварца (14500) экран сдвигается наоборот влево. И это без учёта того, что частота процессора при этом отличается от стандартной (3,5 МГц).

    Я смог проверить на деле несколько кварцевых резонаторов с частотами 10500, 11052, 12000, 12288, 14000, 14318, 14400 и 16000 КГц. По возможности для каждой частоты кварца я сделал скриншот с результатами работы теста TEST4.30:

  • 10500 и 11052 КГц
    С этими резонаторами компьютер не заработал вообще.
  • 12 000 КГц
    Экран настолько сдвинут, что не видна правая часть бордюра.

    Вид экрана для кварца с частотой 12000 КГц

  • 12 288 КГц
    Бордюр справа виден в виде узкой полосы. Коэффициент деления DD4 выставлен как N=7.

    Вид экрана для кварца с частотой 12288 КГц

  • 14 000 КГц
    Стандартная частота кварца для «Ленинград-1». При этой частоте изображение отцентрировано лучше всего, частота процессора максимально соответствует стандартной (V=99,75%).

    Вид экрана для кварца с частотой 14000 КГц

  • 14 318 КГц
    Экран немного сдвинут влево. Для этого резонатораТакие кварцы можно отпаять со старых материнских плат DD4 можно включать по схеме как для частоты 14500 КГц. При этом строчная частота составит что-то около 15430 Гц, однако мой PAL-кодер с тюнером вполне «переваривают» такую нестандартную частоту, что подтверждается скриншотом:

    Вид экрана для кварца с частотой 14318 КГц

  • 14 400 КГц
    Экран немного сдвинут влево. Коэффициент деления DD4 выставлен как N=3.

    Вид экрана для кварца с частотой 14400 КГц

  • 16 000 КГц
    Экран сдвинут сильно вправо.

    Вид экрана для кварца с частотой 16000 КГц

    Для этой частоты резонатора не требуется делать задержку сигнала /SCR, иначе изображение будет сильно мерцать.

  • На всех частотах резонаторов (12000-16000 КГц) считывание с магнитофона происходит без ошибок.

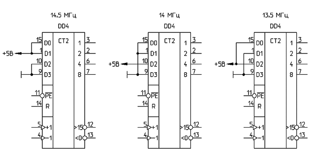
    Схемы включения DD4 для нескольких наиболее употребимых частот кварцев:

    Схемы включения DD4 в Ленинград-1

    Замена двух микросхем ПЗУ на одну

    В «классическом» исполнении компьютера «Ленинград-1» ПЗУ обычно выполнено на двух микросхемах объёмом по 8КБ:

    Схема включения ПЗУ компьютера «Ленинград»

    Одна из причин такого решения - микросхемы ПЗУ объёмом 8КБ в те годы (конец 80-х годов) было проще купить, чем зарубежную 16КБ ПЗУ 27с128.

    Для лучшего понимания процесса замены этих двух микросхем ПЗУ на одно имеет смысл рассмотреть как работает ПЗУ в этом компьютере. Адресная область для ПЗУ (адреса #0000-#3FFF) разделяется на две половинки по 8КБ, условно называемые ROM-0 (адреса #0000-#1FFF) и ROM-1 (адреса #2000-#3FFF). Содержимое ROM-0 находится в микросхеме DD29, соответственно содержимое ROM-1 - в микросхеме DD30. Адресация ROM-0 и ROM-1 различается только содержимым бита A13 шины адреса процессора. При A13=0 адресуем ROM-0, при A13=1 адресуем ROM-1.

    На схеме это работает следующим образом: есть сигнал /RDROM, который в лог.0 означает, что процессор обращается к адресному пространству ПЗУ (#0000-#3FFF). А разделение этого адресного пространства на две половинки делается сигналом A13. При A13=0 поступает лог.0 на вход выбора микросхемы ПЗУ DD29, и совместно с /RDROM=0 микросхема включается. При этом сигнал A13=0, поступающий на вход U2 микросхемы DD30 запрещает её выборку. При A13=1 всё происходит наоборот - микросхема DD29 отключается, зато включается микросхема DD30.

    Теперь задача: надо вместо двух имеющихся микросхем ПЗУ установить одну микросхему объёмом 16КБ (27c128). Эта микросхема отличается от 8КБ ПЗУ тем, что имеет ещё один адресный вход A13 (вывод 26). Чтобы это ПЗУ работало, схему компьютера надо доработать следующим образом:

    Схема доработок включения одного ПЗУ 27128 компьютера «Ленинград»

    Что же делать если мы расширяем ОЗУ до 128К и нужна микросхема ПЗУ 27с256 c прошивками BASIC-48 и Menu-128? У микросхемы 27с256 по сравнению с 27c128 появляется ещё один адресный вход - A14 (вывод 27). Для установки этого ПЗУ надо сделать всё те же доработки, что и для 27c128, только вдобавок надо освободить от старых связей 27-й вывод, который потом подключается к схеме расширения памяти (если конкретнее, то к 4 биту порта #7FFD):

    Схема доработок включения одного ПЗУ 27256 компьютера «Ленинград»

    Идём дальше. В ряде случаев требуется установка 64КБ ПЗУ типа 27c512. Обычно это происходит, если к «Ленинграду» с объёмом ОЗУ 128К (или выше) подключается контроллер дисковода без своего ПЗУ (наподобие C48). При этом прошивка с системой TR-DOS размещается в ПЗУ на плате компьютера, для чего используется одна микросхема ПЗУ типа 27c512, где располагаются BASIC-48, Menu-128 и TR-DOS.

    По сравнению с 27c256 у 27c512 добавляется ещё один адресный вход - A15 (вывод 1). Освобождаем этот вход ПЗУ на плате от всех связей и подключаем к контроллеру дисковода (куда именно - уточняйте по схеме и документации конкретного контроллера). Схема включения ПЗУ будет выглядеть следующим образом:

    Схема доработок включения одного ПЗУ 27512 компьютера «Ленинград»

    Новую микросхему ПЗУ устанавливаем на место DD29, а микросхему DD30 отпаиваем. Если отпаивать не хочется, можно её оставить, но при этом на 20-й вывод надо вместо GND подать +5В. Таким образом мы отключим эту микросхему вообще.

    Почему новое ПЗУ устанавливается на место DD29? Обычно эту микросхему ПЗУ в «Ленинградах» устанавливали на панельку, и в этом случае достаточно просто поменять одну микросхему на другую.


    На самом деле доработок ещё хватает, но все они описаны в журналах «Радиолюбитель» и в различных книгах и брошюрах (к примеру в книге «ZX-Spectrum. Практические советы пользователю компьютера», ссылка на неё чуть ниже по тексту).

    Всякая всячина для скачивания

    Схема компьютера «Ленинград-1»Эту схему я чертил очень давно со схемы из книги «Практические советы пользователю компьютера ZX-Spectrum»
    Расширение памяти компьютера «Ленинград-1» до 256КСхема проверенная. По ней я делал расширение памяти одному из своих «Ленинградов»
    Руководство по эксплуатации компьютера «Ленинград-1»Такое руководство было с моим первым компьютером
    Статьи с описанием различных доработок компьютера «Ленинград»Статьи из журналов «Радиолюбитель»
    Подборка материалов по расширению памяти компьютера «Ленинград-1» до 128КСтатьи из ZX-Ревю и других изданий
    Наклейки на клавиатуру «Ленинграда»
    svg-файл с наклейками на клавиатуру для «Ленинград-1»Автор: Guntars Strogonovs
    ZX-Spectrum. Практические советы пользователю компьютера (НПЦ "Тинопос", Новополоцк, 1992)Описание сборки, настройки компьютеров Pentagon-48 и Ленинград-1, а также их доработок и дополнительной самодельной периферии
    Ссылки:
    Ленинград-1 на сайте SBLive.Narod.ru