Spectrum-совместимые компьютеры «Байт»,«Байт-01» и прочие раритеты

4 / 4 666

Звук

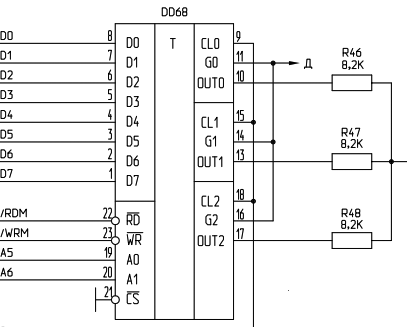
Помимо обычной ZX-пищалки в «Байте» есть свой музыкальный синтезатор - КР580ВИ53.

КР580ВИ53 в роли звукового синтезатора компьютера «Байт»
КР580ВИ53 в роли звукового синтезатора компьютера «Байт»
КР580ВИ53 в роли звукового синтезатора компьютера «Байт»
КР580ВИ53 в роли звукового синтезатора компьютера «Байт»
КР580ВИ53 в роли звукового синтезатора компьютера «Байт»

Микросхема содержит три звуковых канала, которые микшируются в один моно-сигнал.

Включение микросхемы КР580ВИ53 в «Байте»

Что же касается программного обеспечения для этой микросхемы, мне известно, что музыка для ВИ53 есть в следующих программах:

  • Интро-заставка к программе «художник»;
  • Встроенный в ПЗУ тест для «Байта»;
  • Программа ww для «Байт-01»;
  • Тест для Байт-01 (находится на системной дискете с CP/M).
  • Ещё два музыкальных фрамента (песня "Валенки" и «Музыкальный фрагмент» Ф.Шуберта) можно послушать, если набрать программу из статьи «Трёхголосный синтезатор звука в «Байте»» из журнала «Радиолюбитель. Ваш компьютер».

    Звук выводится как на встроенный динамик, так и на RGB-выход. При использовании процедур из ПЗУ «Байта» для работы с лентой, звук дублируется на встроенный динамик.

    Интересная особенность КР580ВИ53 - при включении питания все три её канала устанавливаются в режим 3 (деление тактовой частоты) с коэффициентом деления 5602. При этом на выходах КР580ВИ53 будет частота 624,7 Гц. Это и есть то самое «пищание» из динамика при включении компьютера. Соответственно КР580ВИ53 приходится глушить, чтобы динамик противно не пищал. Для этого в прошивке бейсика для Байта есть специальная подпрограмма. И то, что при включении компьютера слышно гудение динамика на доли секунды - результат работы этой подпрограммы.

    В ПЗУ «Байта» при сбросе глушение производится следующим способом:

          LD A,#3A     ;начальное значение байта конфигурации синтезатора
          LD BC,#03EE  ;для глушения посылаем три байта в порт конфигурации #EE синтезатора
    #005F OUT (C),A    ;посылаем значение в порт
          ADD A,#40    ;следующее значение байта конфигурации
          DEC B        ;уменьшаем счётчик байтов
          JR NZ,#005F  
    

    Вопрос с глушением КР580ВИ53 актуален при расширении компьютера «Байт» до 128К (когда вместо оригинального ПЗУ ставится собственное) и при подключении контроллера дисковода.

    К примеру, вот так отключают ВИ53 при расширении памяти до 128К с заменой оригинального ПЗУ:

    Отключение ВИ53 при расширении памяти «Байта»

    Эти резисторы можно удалить для отключения КР580ВИ53
    Эти резисторы можно удалить для отключения КР580ВИ53
    Эти резисторы можно удалить для отключения КР580ВИ53

    Адреса портов, по которым можно программировать синтезатор, находятся на странице с картой портов «Байта».