8 / 5 369
Версия для печати
Новодельный контроллер Beta Disk Interface для компьютера «Байт»
«Оригинальные» контроллеры дисковода к «Байту» на данный момент (да и раньше) купить не так-то просто - их выпущено очень мало по сравнению с общим количеством «Байтов». Поэтому я решил попробовать себя в качестве разработчика периферии для «Байта», и подготовил свой контроллер дисковода под названием BDI Prusak Edition :)
Плата содержит: контроллер дисковода с турбо-ВГ, схему расширения ОЗУ «Байта» до 128К, музыкальный сопроцессор AY-3-8910, ROM-диск. Кроме того плата позволяет установку тестового ПЗУ для проверки памяти (оно ставится вместо основного ПЗУ).
BDI v1.0 (тестовая версия контроллера)
Описание под спойлером
Для начала была заказана партия плат в количестве 5 штук для пробной сборки и отработки схемы.
Тестовая версия контроллера дисковода BDI Prusak Edition
Компьютер Байт с новодельным контроллером
В процессе сборки и отладки первой платы были найдены некоторые недоработки и досадные ошибки. Хотя они и не слишком серьёзны, и всё дело решается перерезкой некоторых проводников на плате, этот вариант контроллера в серию не пойдёт. Платы, конечно, же будут собраны и пущены «в дело». По результатам сборки уже разработаны 2-я и 3-я версии контроллера.
Подробное фото рабочей платы контроллера. Тут же можно посмотреть какие перемычки нужно паять для нормальной работы платы. Диод тоже нужно паять. Подойдёт любой Д9, Д311, КД521,522, 1N4148 и т.п. Конденсатор C12 можно не устанавливать вообще.
Подробное фото рабочей платы контроллера. Тут же можно посмотреть какие перемычки нужно паять для нормальной работы платы. Диод тоже нужно паять. Подойдёт любой Д9, Д311, КД521,522, 1N4148 и т.п. Конденсатор C12 можно не устанавливать вообще.
Подробное фото рабочей платы контроллера. Тут же можно посмотреть какие перемычки нужно паять для нормальной работы платы. Диод тоже нужно паять. Подойдёт любой Д9, Д311, КД521,522, 1N4148 и т.п. Конденсатор C12 можно не устанавливать вообще.
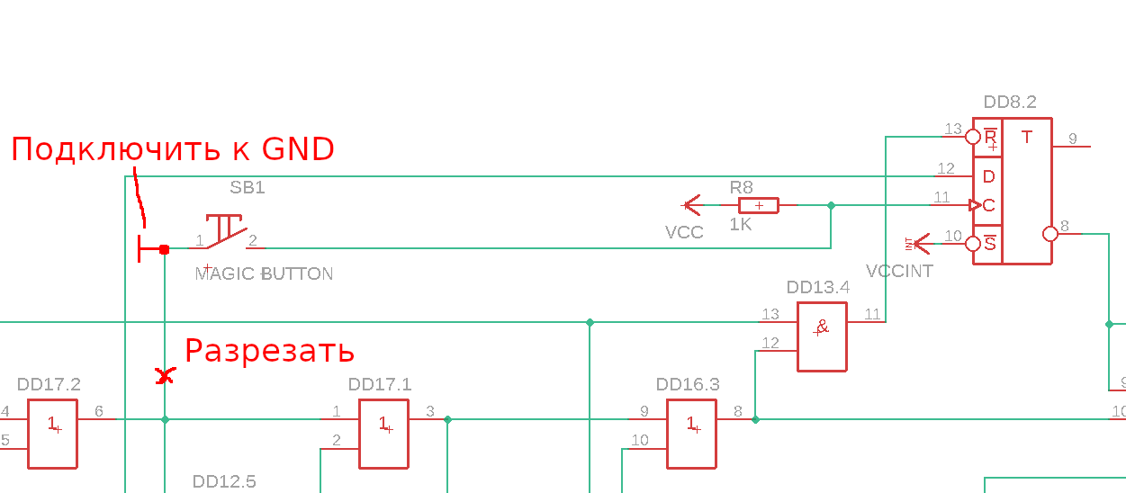
Схема мест, где нужно резать проводники.
Схема мест, где нужно резать проводники.
Схема мест, где нужно резать проводники.
В качестве ROM-диска может использоваться ПЗУ объёмом от 128К до 1024КБ включительно27c010 (128КБ), 27c020 (256К), 27c040 (512К), 27c801 (1024К), либо микросхема FLASH памяти объёмом от 128КБ до 512КБ включительноВ корпусе DIP-32, к сожалению, нет FLASH памяти объёмом 1024КБ, максимум 512КБ. Если ROM-диск не нужен, ПЗУ (FLASH) можно не ставить - его наличие никак не влияет на работоспособность контроллера.
К сожалению из-за досадной ошибки в контроллере будет нормально работать только FLASH память (при этом перемычку JP6 нужно ставить в позицию ROM - тоже ошибка в шелкографии). Если нужно использовать микросхемы ПЗУ, придётся резать две дорожки и паять два провода так, как показано на фотографии:
Доработка контроллера для использования ПЗУ в качестве ROM-диска. Красными кружками отмечены места разреза проводников.
Доработка контроллера для использования ПЗУ в качестве ROM-диска. Красными кружками отмечены места разреза проводников.
Помимо порезанных дорожек при использовании УФ ПЗУ перемычку JP6 нужно ставить в положение «FLASH».
Прошивки для ROM-диска можно скачать здесь.
Назначение перемычек и разъёмов контроллера
JP1 - DOS/MENU - выбор режима работы по сбросу/включению питания. Перемычка установлена - старт в BASIC48/MENU-128. Перемычка убрана - старт в TR-DOS.
JP2 - 128/48K - выбор режима работы при старте в BASIC. Перемычка установлена - старт в MENU-128. Перемычка убрана - старт в BASIC-48. Также перемычку нужно убирать, если в «Байте» память не расширена до 128К.
JP3 - ROM DISK - Сюда подключается кнопка, по которой вызывается обработчик ROM-диска.
JP4 - Magic - Сюда подключается кнопка Magic.
JP5 - AY-OUT - Выход звука с музыкального сопроцессора.
JP6 - FLASH/ROM - Выбор типа используемого в качестве ROM-диска носителя информации (FLASH или УФ стираемое ПЗУ). В тестовой версии контроллера из-за ошибок в шелкографии указано неверное положение перемычки + требуется доработка схемы для использования УФ ПЗУ.
SJ1 - Это контактные площадки на плате рядом с системным разъёмом. Они должны быть замкнуты между собой!
BDI v2.0 (полностью на микросхемах в DIP корпусах)
Описание под спойлером
После сборки и наладки первой версии платы контроллера с учётом обнаруженных ошибок и замечаний была сделана вторая версия платы:
Собранная плата контроллера v2.0
Собранная плата контроллера v2.0
Собранная плата контроллера v2.0
Собранная плата контроллера v2.0
Собранная плата контроллера v2.0
Собранная плата контроллера v2.0
Для подключения дисковода потребуется изготовить два кабеля:
Кабели для подключения дисковода к «Байту»
Кабели для подключения дисковода к «Байту»
Мной была собрана одна плата контроллера. Если все компектующие исправны, и не было ошибок при монтаже, контроллер работает сразу же и не требует какой-либо наладки.
Описание перемычек и разъёмов контроллера
JP1 - DOS/BASIC - выбор режима работы по сбросу компьютера. Перемычка установлена - старт в TR-DOS. Перемычка убрана - старт в Mr.Gluk Reset Service/BASIC/MENU-128 (это определяется перемычками JP2 и JP4):
JP2 - 128/48K - выбор режима работы при старте в BASIC. Перемычка установлена - старт в MENU-128. Перемычка убрана - старт в BASIC-48. Также перемычку нужно убирать, если в «Байте» память не расширена до 128К. Но! Если в режиме 48К нужен сброс в Mr.Gluk Reset Service, то эту перемычку нужно ставить, даже если в компьютере только 48КБ памяти. Советую ориентироваться на таблицу ниже.
JP4 - Mr.Gluk - Выбор режима сброса в Mr.Gluk Reset Service. Перемычка установлена - старт при сбросе в Mr.Gluk Reset Service. Перемычка убрана - старт в BASIC/MENU-128.
Общая логика при старте такова: высший приоритет имеет перемычка JP1 (DOS/BASIC). Если стартуем в TR-DOS (перемычка установлена), то всё равно в каких положениях установлены перемычки JP2 и JP4. Если же стартуем в BASIC (перемычка JP1 убрана), то перемычками JP2 и JP4 выбирается в какой именно BASIC нужно стартовать:
|
Куда нужно делать сброс
|
JP1
|
JP2
|
JP4
|
|
TR-DOS
|
установлена
|
всё равно
|
всё равно
|
|
BASIC-48
|
нет
|
нет
|
нет
|
|
MENU-128
|
нет
|
установлена
|
нет
|
|
Mr.Gluk Reset Service
|
нет
|
установленаДаже если «Байт» имеет 48КБ памяти, для сброса в Mr.Gluk Reset Service эту перемычку устанавливаем! |
установлена
|
При включении питания вне зависимости от положения перемычек JP1,JP2,JP4 контроллер сделает старт в TR-DOS. Это сделано для того, чтобы «заглушить» музыкальный сопроцессор ВИ53 (в ПЗУ TR-DOS введена процедура глушения ВИ53).
JP3 - ROM/FLASH - Выбор типа используемого в качестве ROM-диска носителя информации (FLASH или UV EPROM). Для UV EPROM установить две перемычки на контакты 1-2 и 3-4. Для Flash установить две перемычки на контакты 2-3 и 4-5.
SB1 - Magic Button - кнопка Magic.
SB2 - ROM-disk - кнопка для вызова меню ROM-disk.
XP1 - Интерфейсный разъём (BHR-34G) для дисковода.
XP2 - Разъём (BHR-10G) для подключения питания дисковода.
XS1 - Системный разъём (СНП59-96Р-20-2-В) для подключения к «Байту». Устанавливается с обратной стороны платы! Можно посмотреть по фотографиям как его правильно паять.
XS2 - Этот разъём не устанавливается (задействован под потенциальное расширение функционала платы).
XS3 - AY-OUTPUT - Выход звука с музыкального сопроцессора на обычный 3,5mm Jack.
Используемые микросхемы
DD10 может быть как серии КР1533, так и 155-й серии. Можно использовать ЛН2, ЛН3, ЛН5.
Для остальных микросхем мелкой логики крайне желательно использовать серию КР1533 (74ALS).
В качестве ROM-диска (DD31) может использоваться ПЗУ объёмом от 128К до 1024КБ включительно27c010 (128КБ), 27c020 (256К), 27c040 (512К), 27c801 (1024К), либо микросхема FLASH памяти объёмом от 128КБ до 512КБ включительноВ корпусе DIP-32, к сожалению, нет микросхем FLASH памяти объёмом 1024КБ, максимум 512КБ. Тип используемой микросхемы выбирается перемычками JP3. Если ROM-диск не нужен, ПЗУ (FLASH) можно не ставить - его наличие никак не влияет на работоспособность контроллера.
Возможные проблемы при сборке и порядок сборки
Ещё раз обращаю внимание на способ установки системного разъёма XS1 - он паяется с обратной стороны платы! Если не планируется использование корпуса, то разъём можно паять «впритык» к плате (можно сначала просто вставить разъём в плату (без пайки), всю эту конструкцию вставить в системный разъём «Байта» и прикинуть, чтобы корпус компьютера не задевал за плату контроллера). Если же для контроллера будет изготавливаться корпус, то про установку разъёма читайте чуть ниже по тексту раздела.
Первое включение контроллера делайте без установленной микросхемы DD25 (КР1818ВГ93). Сначала удостоверьтесь, что на ВГ93 приходят оба питающих напряжения +5В (измерять между 20-м и 21-м выводами микросхемы) и +12В (измерять между 20-м и 40-м выводами микросхемы). Если напряжение +12В нет на микросхеме, возможно неправильно впаяны транзисторы VT1,VT2, или они неисправны.
Как я уже ранее говорил, если все компектующие исправны, и не было ошибок при монтаже, контроллер работает сразу же и не требует какой-либо наладки. Но (в теории) возможно придётся подобрать ёмкость конденсатора C11 (470 пФ), если будет нестабильно работать вход в TR-DOS. На практике у меня такого не было, но мало ли что...
Корпус для контроллера v2.0
Для этой версии контроллера я разработал корпус для распечатки на 3D-принтере (свой вариант я печатал из PLA-пластика).
Корпус для контроллера v2.0
Корпус для контроллера v2.0
Вместе с компьютером корпус выглядит следующим образом:
Корпус состоит из трёх частей - верхняя крышка, нижняя крышка и лицевая панель.
Разъём XS1 обязательно нужно выставить по высоте 10 мм над платой! Для этого используются предварительно напечатанные стойки под разъём:
Т.е. сначала выставляем разъём на стойки, для надёжности стягиваем эту конструкцию при помощи двух винтов М2,5 с гайками, и только потом паяем выводы разъёма.
В верхней и нижней крышках потребуется нарезать резьбу М2,5 в следующих местах:
Будьте внимательны при нарезании резьбы в глухих отверстиях! Если пережать метчик, и он «упрётся» в крышку, можно испортить всю резьбу.
Для сборки корпуса потребуются винты М2,5 с круглой (ГОСТ 17473) или цилиндрической (ГОСТ 1491) головкой трёх типоразмеров - М2,5х10 (можно длиной 8 мм) (4 шт), М2,5х16 (4 шт) и М2,5х18 (2 шт):
Требуемый крепёж для сборки корпуса
Требуемый крепёж для сборки корпуса
Кнопки SB1 и SB2 я использовал с длиной выступающей пластиковой части толкателя 6 мм. Вроде покупал тактовые кнопки типа KLS7-TS6606-9,5 (на 100% не уверен). Но длина самой пластиковой части кнопки у меня 6 мм, под неё я делал колпачки для кнопок.
Скачать архив с деталями корпуса можно в конце раздела.
Обнаруженные ошибки в схеме
К сожалению не обошлось без досадной ошибки в схеме. Кнопка Magic оказалась нефункциональной. Конечно же, ей почти никто не пользуется, но если очень-очень хочется, можно доработать контроллер. Описание доработки под спойлером:
Доработка кнопки Magic
Для доработки потребуется перерезать три проводника и припаять три перемычки.
Почти всё делается на нижней стороне платы:
Доработки нижней части платы
На верхней стороне платы нужно разрезать проводник, который проходит под микросхемой DD21 (ЛП8). Очень неудобно. В моём случае удалось сбоку между 13-м и 14-м выводами просунуть острый пинцет и перерезать дорожку:
На схеме доработки выглядят следующим образом:
BDI v3.2 (на микросхемах в корпусах SOIC)
Третья версия контроллера выполнена на 4-слойной печатной плате, микросхемы по возможности используются в корпусе для поверхностного монтажа (SOIC), что позволило существенно уменьшить габариты печатной платы и сделать контроллер более компактным.
Собранная плата контроллера v3.2
Собранная плата контроллера v3.2
Собранная плата контроллера v3.2
Печатная плата контроллера v3.2
Печатная плата контроллера v3.2
Печатная плата контроллера v3.2
К этой версии контроллера уже разработан корпус для печати на 3D принтере:
Корпус контроллера дисковода v3.2
Корпус контроллера дисковода v3.2
Корпус контроллера дисковода v3.2
Контроллер v3.2 вместе с Байтом
Контроллер v3.2 вместе с Байтом
Собранная из исправных деталей плата начинает работать сразу и не нуждается в настройке.
Описание перемычек и разъёмов контроллера
JP1 - DOS/BASIC - выбор режима работы по сбросу компьютера. Перемычка установлена - старт в TR-DOS. Перемычка убрана - старт в Mr.Gluk Reset Service/BASIC/MENU-128 (это определяется перемычками JP2 и JP4):
JP2 - 128/48K - выбор режима работы при старте в BASIC. Перемычка установлена - старт в MENU-128. Перемычка убрана - старт в BASIC-48. Также перемычку нужно убирать, если в «Байте» память не расширена до 128К. Но! Если в режиме 48К нужен сброс в Mr.Gluk Reset Service, то эту перемычку нужно ставить, даже если в компьютере только 48КБ памяти. Советую ориентироваться на таблицу ниже.
JP4 - Mr.Gluk - Выбор режима сброса в Mr.Gluk Reset Service. Перемычка установлена - старт при сбросе в Mr.Gluk Reset Service. Перемычка убрана - старт в BASIC/MENU-128.
Общая логика при старте такова: высший приоритет имеет перемычка JP1 (DOS/BASIC). Если стартуем в TR-DOS (перемычка установлена), то всё равно в каких положениях установлены перемычки JP2 и JP4. Если же стартуем в BASIC (перемычка JP1 убрана), то перемычками JP2 и JP4 выбирается в какой именно BASIC нужно стартовать:
|
Куда нужно делать сброс
|
JP1
|
JP2
|
JP4
|
|
TR-DOS
|
установлена
|
всё равно
|
всё равно
|
|
BASIC-48
|
нет
|
нет
|
нет
|
|
MENU-128
|
нет
|
установлена
|
нет
|
|
Mr.Gluk Reset Service
|
нет
|
установленаДаже если Байт имеет 48КБ памяти, для сброса в Mr.Gluk Reset Service эту перемычку устанавливаем! |
установлена
|
При включении питания вне зависимости от положения перемычек JP1,JP2,JP4 контроллер сделает старт в TR-DOS. Это сделано для того, чтобы «заглушить» музыкальный сопроцессор ВИ53 (в ПЗУ TR-DOS введена процедура глушения ВИ53).
JP3 - ROM/FLASH - Выбор типа используемого в качестве ROM-диска носителя информации (FLASH или UV EPROM). Для UV EPROM установить две перемычки на контакты 1-2 и 3-4. Для Flash установить две перемычки на контакты 2-3 и 4-5.
SB1 - Magic Button - кнопка Magic.
SB2 - ROM-disk - кнопка для вызова меню ROM-disk.
XP1 - Интерфейсный разъём (BHR-34G) для дисковода.
XP2 - Разъём (BHR-10G) для подключения питания дисковода.
XS1 - Системный разъём (СНП59-96Р-20-2-В) для подключения к «Байту». Устанавливается с обратной стороны платы! Можно посмотреть по фотографиям как его правильно паять.
XS2 - AY-OUTPUT - Выход звука с музыкального сопроцессора на обычный 3,5mm Jack.
Доработка «Байта» для работы схемы расширения памяти до 128КБ в контроллере дисковода
Схема расширения ОЗУ «Байта» до 128К сделана такой же, как в контроллере BZ-128.
Порядок доработки компьютера:
Шаг 1 - линейка ОЗУ DD51-DD54,DD57-DD60.
Первым делом следует определиться какие микросхемы ОЗУ установлены в вашем компьютере. Разбираем компьютер и смотрим на плату. Для начала убедимся, что микросхемы DD51-DD54,DD57-DD60 установлены типа КР565РУ5. Смотрим вот в эту часть платы:
КР565РУ5
Если тут установлены КР565РУ5Б,В,Г - всё в порядке, и можно переходить к шагу №2.
Что тут ещё может оказаться? Если у вас «старая» модификация компьютера «Байт», в нём скорее всего эта линейка памяти будет собрана из «половинок» КР565РУ5 под названием КР565РУ5Д1 или КР565РУ5Д2:
КР565РУ5Д1
Вообще я никогда не занимался ни расширением «старых Байтов», ни подключением к ним BDI (ввиду глючности этой модели), поэтому однозначно не могу сказать как оно заработает. Если у вас именно такой «старый Байт», лучше поискать более новую модель (с серийным номером от 7600 и выше).
Шаг 2 - линейка ОЗУ DD43-DD50.
Определяемся с тем, на каких микросхемах собрана вторая линейка ОЗУ. Нам нужны вот эти микросхемы:
DD43-DD50
Если там КР565РУ6, смотрим ниже по тексту. Если вам повезёт, эта линейка ОЗУ будет собрана на КР565РУ5:
DD43-DD50 - КР565РУ5
В этом случае АККУРАТНО поднимаем у каждой из этих восьми микросхем вверх 9-й вывод. Все поднятые вверх выводы соединяем между собой:
9-е выводы у КР565РУ5
Далее переходим к шагу №3.
Если вам не очень повезёт, линейка ОЗУ будет собрана на КР565РУ6:
DD43-DD50 - КР565РУ6
В этом случае нужно менять все 8 микросхем ОЗУ на КР565РУ5Б,В,Г (желательно, чтобы все микросхемы были с одинаковыми буквами). Либо отпаиваем РУ6, либо выкусываем их. Берём 8 штук микросхем КР565РУ5 и сначала проверяем их (если есть такая возможность). Проверить можно либо на каком-нибудь тестере ОЗУ, либо вставив эти микросхемы в другой ZX-Spectrum. Проверка крайне желательна, чтобы потом не было мучительно больно, когда придётся отпаивать неисправные микросхемы.
Если все 8 микросхем ОЗУ оказались рабочие, отгибаем у них 9-е выводы и припаиваем микросхемы на место РУ6. После припайки микросхем соединяем у них между собой 9-е выводы:
9-е выводы у КР565РУ5
И переходим к следующему шагу.
Шаг 3 - Проверка ОЗУ.
После того, как микросхемы ОЗУ заменены и 9-е выводы подняты, нужно проверить, чтобы всё это ОЗУ нормально работало уже на нашем «Байте». Для этого объёдинённые 9-е выводы микросхем ОЗУ подключаем к GND и включаем «Байт». Компьютер должен включиться и работать нормально. Запускаем встроенный тест ОЗУ.
Если всё в порядке, и тест прошёл, выключаем компьютер, 9-е выводы микросхем отсоединяем от GND и подключаем к +5В через резистор сопротивлением 1К. И в этом случае компьютер должен включиться и нормально заработать. Снова проверяем память тестом ОЗУ. Если всё в порядке, то отпаиваем резистор и припаиваем 9-е выводы РУ5 к 9-му выводу DD41 (КП12) на плате «Байта». «Половинка» этой микросхемы не используется, поэтому её можно задействовать для расширения:
DD41
Шаг 4.
АККУРАТНО выпаять и поднять вверх следующие выводы микросхем: 13 и 14 у DD56 (КП11), 8-й вывод DD15 (ЛЛ1), 2-й вывод DD21 (ЛИ1):
DD56,DD15,DD21
Возвращаемся к микросхеме DD41. Её 13-й вывод подключаем к +5В, а 15-й вывод подключаем к GND;
Необходимые для работы схемы расширения памяти сигналы подключаются к неиспользуемым в «Байте» контактам системного разъёма. Делаем согласно таблице:
На сигнал /CAS0(БТ) не обращайте внимания. Он в этой доработке не нужен.
Один из моих доработанных таким образом «Байтов» выглядит следующим образом:
Доработанный до 128К компьютер «Байт»
После всех этих доработок «Байт» больше не будет работать без подключенного к нему контроллера!
Подключение контроллера к «Байту»
Конфигурируем контроллер перемычками, подключаем к системному разъёму «Байта», и всё готово :)
Встроенное ПЗУ «Байта» отключается, работает ПЗУ, установленое на плате контроллера. Звуковой синтезатор КР580ВИ53 не отключается, и может быть использован! По этой причине в прошивку ПЗУ для контроллера внесены процедуры глушения ВИ53 при старте компьютера.
Звук с AY можно вывести как на внешний усилитель, так и воспользоваться встроенным в «Байт» усилителем звука. Для этого в «Байте» нужно подключить контакты C16 и C17 системного разъёма через два резистора сопротивлением около 2К к резистору R48:
Подключение динамика в «Байте» для воспроизведения звука с музыкального сопроцессора.
Изменением сопротивления резисторов можно регулировать громкость звука с музыкального сопроцессора.
«Байт» необязательно расширять до 128К - и контроллер и ROM-диск будут отлично работать на обычном 48КБ «Байте». Равно как, если не нужен ROM-диск, можно не паять часть схемы, отвечающую за него (микросхемы DD29-DD32).
Установка ПЗУ с тестом памяти
Как известно, в «Байте» микросхемы ПЗУ запаяны в плату, следствием чего является невозможность использования ПЗУ с тестами памяти. Эта проблема может быть решена как использованием как внешней платы для установки тестового ПЗУ, так и возможностью сменить микросхему ПЗУ на плате контроллера дисковода. Рассмотрим порядок действий для последнего случая.
Что для этого нужно? Во-первых нужно определиться какой тест памяти нужен. Я адаптировал тесты ОЗУ 48 и 128К для корректной работы в «Байте». Так что заходим сюда и качаем прошивку с нужным тестом ОЗУ.
Далее ищем микросхему ПЗУ нужного объёма (обычно 2К, но совмещённый тест 48/128К для «Байта» рассчитан на 8К ПЗУ). Прошиваем туда тест. Учтите, что у 2К ПЗУ корпус на 24 вывода, а панелька для установки ПЗУ в контроллере - на 28 выводов, и для установки туда такого ПЗУ нужна доработка самой микросхемы ПЗУ. Примеры (как я это делал) можно посмотреть в начале этой статьи. Если же тест «зашит» в ПЗУ объёмом 8К, никаких доработок не потребуется.
Можно также зашить 2К тест ОЗУ в микросхему ПЗУ объёмом 8К. При этом либо расположить прошивку с самого начала ПЗУ, либо просто повторить прошивку 4 раза подряд, чтобы заполнить весь объём ПЗУ. Тогда никаких доработок ПЗУ не потребуется.
Пример установки доработанного ПЗУ объёмом 2КБ на место ПЗУ DD14 (на примере платы контроллера v3.2):
Установка 2К ПЗУ с тестом памяти в контроллер
Перемычками устанавливаем старт в BASIC при включении компьютера. Для этого снимаем перемычки JP1,JP2,JP4 (если они установлены). Включаем компьютер, тест запускается. После окончания работы выключаем компьютер, возвращаем перемычки на прежнее место, достаём ПЗУ с тестом, возвращаем на место «родное» ПЗУ контроллера.
Распределение памяти 128К по линейкам ОЗУ
Банки ОЗУ 0-3 находятся в линейке ОЗУ DD51-DD60:
КР565РУ5
Банки ОЗУ 4-7 находятся в линейке ОЗУ DD43-DD50:
DD43-DD50 - КР565РУ5
Эта информация может быть полезна при отладке расширения памяти до 128К при использовании тестового ПЗУ.
Карта портов
| Биты |
Адрес |
Режим |
Описание |
| 15 | 14 | 13 | 12 | 11 | 10 | 9 | 8 | 7 | 6 | 5 | 4 | 3 | 2 | 1 | 0 |
| Порты Beta Disk Interface: |
| 0 |
0 |
0 |
0 |
0 |
0 |
0 |
0 |
0 |
0 |
0 |
1 |
1 |
1 |
1 |
1 |
#1F (31dec) | R/W | Регистр состояний/команд ВГ93 |
| 0 |
0 |
0 |
0 |
0 |
0 |
0 |
0 |
0 |
0 |
1 |
1 |
1 |
1 |
1 |
1 |
#3F (63dec) | R/W | Регистр дорожки ВГ93 |
| 0 |
0 |
0 |
0 |
0 |
0 |
0 |
0 |
0 |
1 |
0 |
1 |
1 |
1 |
1 |
1 |
#5F (95dec) | R/W | Регистр сектора ВГ93 |
| 0 |
0 |
0 |
0 |
0 |
0 |
0 |
0 |
1 |
1 |
1 |
1 |
1 |
1 |
1 |
1 |
#7F (127dec) | R/W | Регистр данных ВГ93 |
| 1 |
1 |
1 |
1 |
1 |
1 |
1 |
1 |
1 |
1 |
1 |
1 |
1 |
1 |
1 |
1 |
#FF (255dec) | R/W | Системный регистр |
| Порты расширения ОЗУ 128К: |
| 0 |
0 |
1 |
1 |
1 |
1 |
1 |
1 |
1 |
1 |
1 |
1 |
1 |
1 |
0 |
1 |
#7FFD (32765dec) | Write | Порт управления режимом 128К |
| 1 |
0 |
1 |
1 |
1 |
1 |
1 |
1 |
1 |
1 |
1 |
1 |
1 |
1 |
0 |
1 |
#BFFD (32765dec) | Write | Порт музыкального сопроцессора |
| 1 |
1 |
1 |
1 |
1 |
1 |
1 |
1 |
1 |
1 |
1 |
1 |
1 |
1 |
0 |
1 |
#FFFD (32765dec) | R/W | Порт музыкального сопроцессора |
Серым цветом выделены биты, по которым производится дешифрация адреса.
Аппаратное включение Beta Disk Interface происходит в момент выполнения команды в области памяти #3D00-#3DFF (15616-15871).
Доработка блока питания
Важно: штатный блок питания компьютера «Байт» может работать только с одним дисководом! Для двух дисководов не хватит тока по линии +12В.
Практика показывает, что иногда при подключении даже одного дисковода к «Байту» не хватает напряжения по линии +12В (оно сильно «просаживается» до 10-11В). Это зависит от конкретного экземпляра блока питания. Поэтому в случае каких-либо глюков при запуске контроллера имеет смысл в первую очередь проверить напряжение на разъёме питания дисковода в режиме, когда дискета вставлена в дисковод и раскручивается (при этом дисковод по линии +12В потребляет максимальный ток). Обычно при недостаточном питающем напряжении +12В дисковод или не раскручивает диск, или «трещит» блоком головок.
На величину падения напряжения также влияет длина кабеля для подключения питания дисковода. Чем больше длина и чем меньше сечение проводов в кабеле, тем больше будет падение напряжения. Обычно длины 25-30 см вполне хватает для нормальной работы дисковода.
Если напряжение ниже нормы 12В±5%, есть два варианта действий:
1) Использовать отдельный блок питания для дисковода;
2) Небольшая доработка штатного блока питания «Байта» с целью немного повысить выходное напряжение +12В.
Для этого нужно чуть-чуть (каждый раз примерно на 10 Ом) увеличивать сопротивление резистора R1 в блоке питания, пока под нагрузкой не получим требуемые 12В:
Естественно, все эти манипуляции вы проделываете на свой страх и риск. Есть вероятность так сильно увеличить напряжение по линии 12В, что может выйти из строя дисковод!
P.S. Отдельная благодарность Byteman'у за помощь с заказом печатных плат и с комплектацией для сборки контроллера.
Документация по новодельному BDI Prusak Edition для «Байта»
| Новодельный BDI Prusak Edition для «Байта»: |
|
|
Описание Mr.Gluk Reset ServiceИз журнала "Радиомир. Ваш компьютер 2005 №9"
|
|
|
Схема и прошивки контроллера BDI Prusak Edition 1.0Герберов для этого варианта контроллера не будет! Плата содержит ошибки и нуждается в доработке.
|
|
|
Схема, герберы для изготовления платы и прошивки контроллера BDI Prusak Edition 2.0В архиве: схемы, герберы, прошивки, монтажный чертёж платы, перечень элементов, исходники платы.
|
|
|
Корпус для контроллера BDI Prusak Edition 2.0 Для распечатки на 3D-принтере.
|
|
|
Полный комплект документации для заказа плат и сборки контроллера BDI Prusak Edition 3.2В архиве: схема, прошивки, монтажный чертёж платы, перечень элементов, детали корпуса для распечатки на 3D принтере, герберы для заказа печатных плат.
|
|
Прошивки для ROM-диска можно скачать здесь.
|