7 / 12 328
Версия для печати
Подключение к телевизорам и мониторам
Теория
"Просто так" можно подключить "Байт" только к антенному входу телевизора, при этом качество изображения оставляет желать лучшего. Для получения более качественной картинки необходимо подключить "Байт" через RGB-вход, для чего требуется доработка телевизора, если в нём нет RGB-входа. Две схемы для подключения "Байта" к телевизору приведены в руководстве по эксплуатации компьютера. Причём одна схема (упрощенная) не учитывает яркостный сигнал, а вторая (более совершенная) обеспечивает отображение всех 15 цветов с градациями яркости:
Схема подключения ″Байта″ к телевизорам 4-го поколения 4УСЦТ по упрощённой схеме без учёта яркостного сигнала
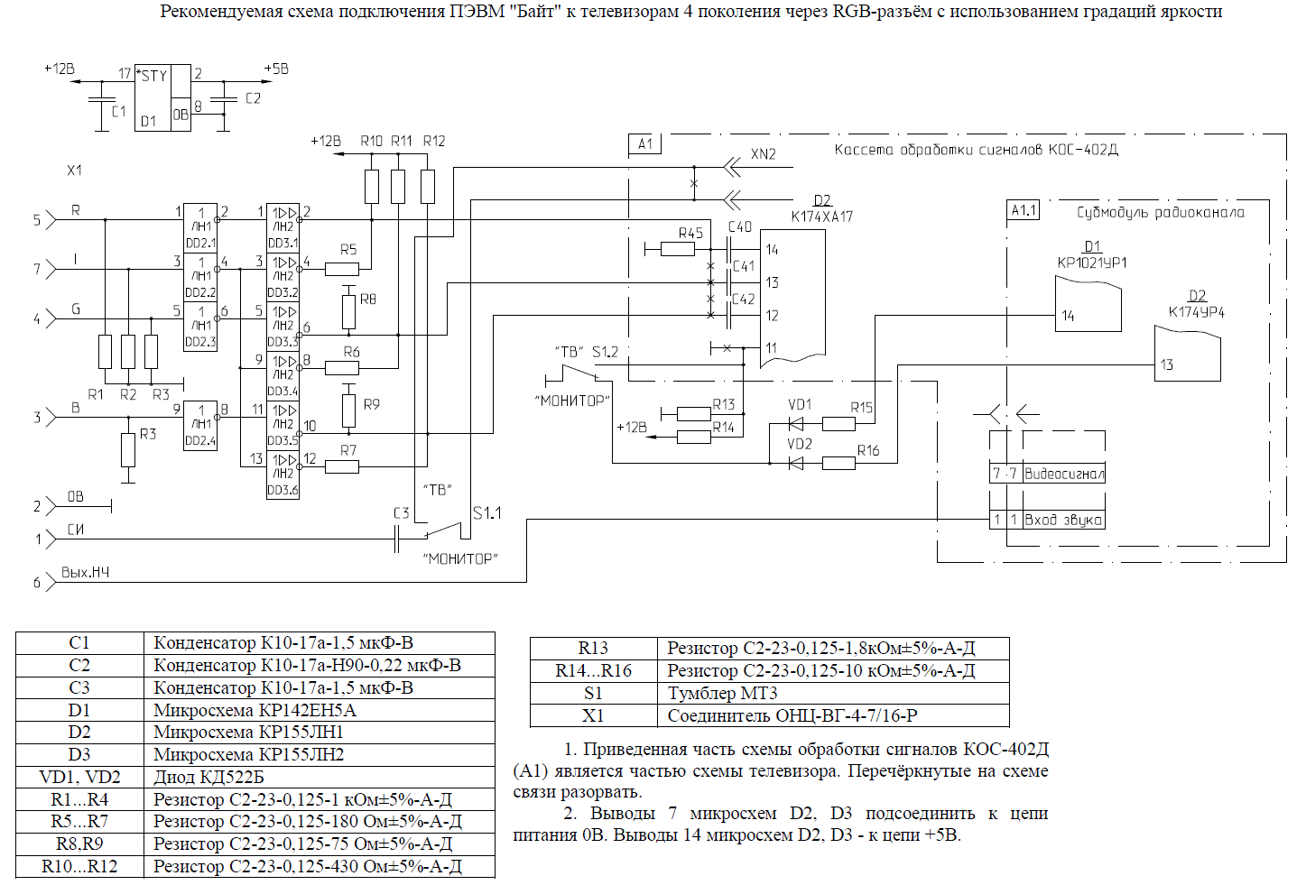
Схема подключения ″Байта″ к телевизорам 4-го поколения 4УСЦТ с использованием яркостного сигнала
Схема подключения ″Байта″ к телевизорам 4-го поколения 4УСЦТ по упрощённой схеме без учёта яркостного сигнала
Схема подключения ″Байта″ к телевизорам 4-го поколения 4УСЦТ с использованием яркостного сигнала
В отличие от основного парка Spectrum-совместимых клонов у компьютера "Байт" на RGB-выход выведены раздельные цветовые сигналы и сигнал яркости. Поэтому для получения на экране телевизора (или монитора) полноценной цветной картинки требуется при помощи отдельного внешнего устройства формировать нормальные двухуровневые цветовые сигналы.
Такая же беда при попытке подключения "Байта" к черно-белым телевизорам и мониторам. В компьютере не формируется черно-белый видеосигнал с градациями яркости - это необходимо делать при помощи внешней схемы.
Одним словом - если необходимо подключить "Байт" не через ВЧ-вход, придётся паять.
Разберем вопросы подключения "Байта" к телевизорам и мониторам на примерах.
 |
В приведенных далее схемах даны ориентировочные номиналы резисторов, и при повторении схемы возможно придётся их корректировать!
|
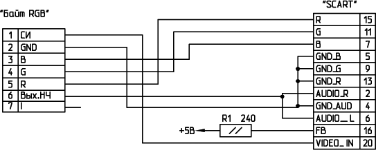
К телевизорам, оборудованным входом SCART, можно подключить "Байт" по упрощённой схеме без яркостного сигнала. При этом необходимо сделать переходник, потому что ни одна модификация SCART-кабеля несовместима с разводкой RGB-выхода "Байта":
Тут всё просто - подаём напрямую на SCART цветовые сигналы, звук и сигнал синхронизации. Яркостной сигнал остаётся не при делах. Соответственно повышенной яркости при BRIGHT=1 мы не увидим.
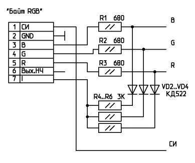
Для получения двухуровневых цветовых сигналов можно применить простейшую схему на диодах и резисторах:
Принцип функционирования схемы прост: два резистора и диод образуют простейший ЦАП. При BRIGHT=1 диод заперт, и цветовой сигнал почти без ограничения попадает на выход схемы. При BRIGHT=0 лог.0 с яркостного выхода "подсаживает" цветовой сигнал, обеспечивая его низкую интенсивность.
В таком виде схему нельзя подключать прямо к SCART в телевизоре. Проблема кроется в низком входном сопротивлении входов SCART в телевизоре - 75 Ом. Если взять и подключить эту схему "как есть", то на входном резисторе 75 Ом в телевизоре пропадёт большая часть полезного сигнала. В итоге получим сигнал с очень низкой яркостью. Это называется "несогласованность выходного сопротивления устройства и входного сопротивления SCART".
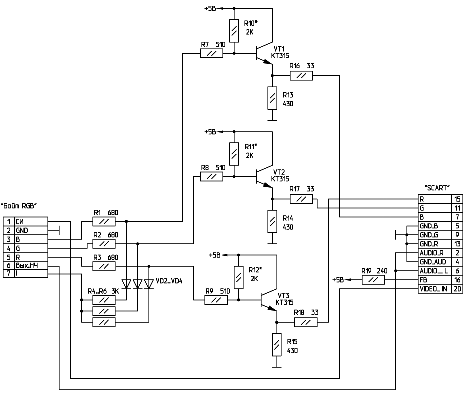
Как один из вариантов можно рассмотреть схему, используемую в компьютере KAY-1024:
Также можно ввести согласующий каскад на транзисторе - эмиттерный повторитель, который имеет низкое выходное сопротивление, и поэтому отлично работает с низким входным сопротивлением входов SCART в телевизоре. Само собой разумеется, согласующий каскад потребуется поставить на каждый сигнал - R,G,B! Смотрим следующую схему:
Схема подключения «Байта» через SCART
Схема подключения «Байта» через SCART
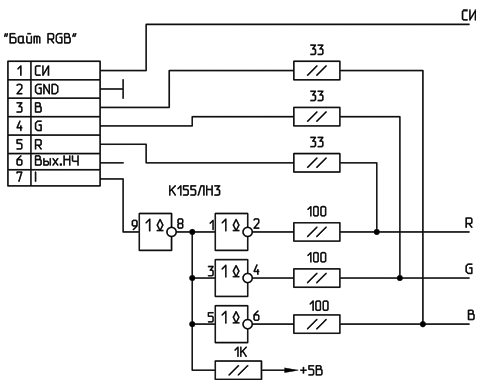
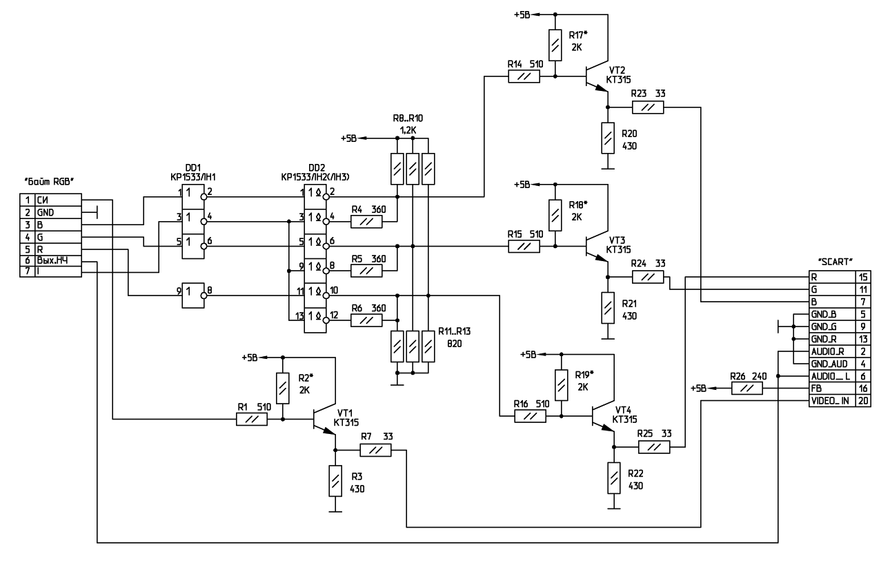
Также можно формировать двухуровневые цветовые сигналы другим путём - при помощи микросхем. Схема при этом получается более сложная, но как бы более правильно работающая:
Ещё одна схема подключения «Байта» через SCART
Ещё одна схема подключения «Байта» через SCART
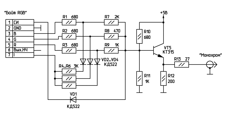
Для подключения "Байта" к черно-белому монитору (к примеру МС6105) тоже потребуется паять схему с одним каскадом на транзисторе:
В случае подключения "Байта" к цветому CGA или EGA монитору с ТТЛ-входами (например один из вариантов монитора МС6106) вроде бы всё подходит - и раздельные цвета, и отдельный яркостной сигнал. Но опять беда - монитор требует раздельных синхросигналов - отдельно кадровый синхросигнал и отдельно строчный синхросигнал. В этом случае для разделения синхросигнала на составные части можно использовать микросхему LM1881. Схему её включения можно взять в её даташите. Или, если лень искать даташит, то смотрим статью дальше - там будет всё готовое :)
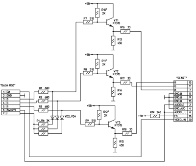
Проверенная на практике схема получения градаций яркости
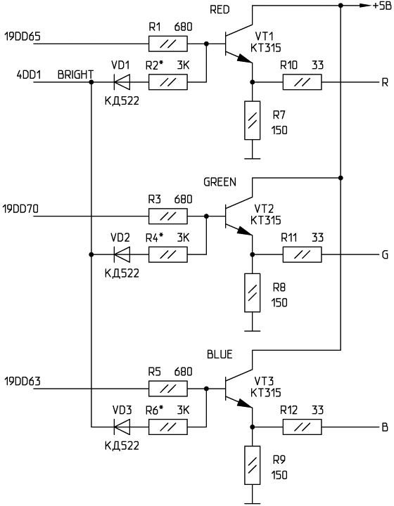
Перейдём от теории к практике. Можно превратить Байт в "обычный" Спектрум в плане организации видеовыхода. А именно поставить внутрь компьютера схему формирования сигналов RGB с градациями яркости. Схема платы:
Схема представляет собой обычный формирователь двухуровневых сигналов RGB. У меня она собрана на отдельной небольшой плате, чтобы она смогла поместиться внутри корпуса компьютера:
Плата для формирования RGB с градациями яркости
Плата для формирования RGB с градациями яркости
Для подключения платы к компьютеру потребуется отпаять три резистора - R160, R161 и R162. Выходные сигналы RGB с платы подключаются к одноименным точкам, обозначенным на фотографии:
Места для подключения платы формирования градаций яркости
Места для подключения платы формирования градаций яркости
На вход платы подаются сигналы RGB и BRIGHT с ТТЛ-уровнями прямо с выходов микросхем DD65, DD70, DD63 и DD1 (R - 19DD65, G - 19DD70, B - 19DD63, BRIGHT - 4DD1). Кроме этого на плату подаётся питания +5В, которое можно снять с любой микросхемыБлиже всего к месту установки платы расположена микросхема DD77 К155ИД10, питание можно снять с её 8 вывода (GND) и 16 вывода (+5В) компьютера.
Плату можно припаять к верхней крышке ВЧ-модулятора - отогнуть от неё один лепесток и припаять плату к этому лепестку. У меня плата размещена следующим образом:
Размещение платы внутри корпуса компьютера
Размещение платы внутри корпуса компьютера
При таком способе доработки сигнал "BRIGHT" на 7-м контакте RGB-разъёма X6 становится ненужным. Если компьютер "Байт" планируется подключать к телевизору через SCART, то можно на 7-й контакт RGB разъёма вместо BRIGHT подать +5В для сигнала переключения телевизора в режим работы от RGB входа. Для этого необходимо отпаять резистор R167 и подать на контакт платы, обозначенный красной точкой, напряжение +5В:
Место для подключения +5В вместо BRIGHT на разъём X6
Место для подключения +5В вместо BRIGHT на разъём X6
Проблема повышенной яркости чёрного цвета
Если подключить "Байт" по RGB к телевизору или монитору, можно столкнуться с несколько неприятным эффектом появления градаций яркости для черного цвета. В результате имеет черный цвет с обычной яркостью и с повышенной (при BRIGHT=1). В играх это проявляется визуально следующим образом:
На изображении чётко виден черный цвет и серый цвет (это черный при BRIGHT=1).
Почему так происходит? Компьютер просто-напросто "не знает" о том, что у черного цвета не может быть яркости, поэтому яркостный сигнал вырабатывается даже при отображении черного цвета.
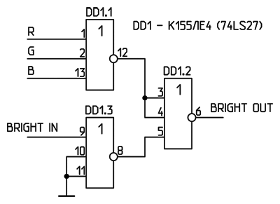
Да, это неприятно. Однако проблема решаема. Достаточно в разрыв яркостного сигнала включить схему, которая "отсекает" повышенную яркость при изображении черного цвета. Для этого схема должна отрабатывать следующий алгоритм:
Если R=G=B=0 (чёрный цвет), то на выходе яркостный сигнал делаем равный 0;
В любом другом случае яркостный сигнал передаётся на выход без изменений.
Проще всего сделать подобную схему на логических элементах. Вот, например, несколько вариантов реализации:
Разумеется, сигналы R,G,B,BRIGHT_IN должны быть с TTL-уровнями.
Комбинируя все вышеописанные схемы я сделал видеоадаптер для «Байта», который облегчит подключение компьютера к телевизорам и CGA/EGA мониторам. Всю информацию по видеоадаптеру я выделил в отдельную страницу сайта.
Если у вас VGA монитор, то вам нужен другой адаптер.
Тематические ссылки