Spectrum-совместимые компьютеры «Байт»,«Байт-01» и прочие раритеты

9 / 8 116

Компьютер Pentagon-48

Pentagon-48 - едва ли не первый отечественный клон ZX-Spectrum со встроенным контроллером дисковода, о котором я услышал. По тем временам, когда в основной массе были распространены простые клоны, типа Ленинграда, которые работали исключительно с лентой, компьютер с дисководом - это было круто :) К сожалению, я не мог себе такого позволить, поэтому приходилось любоваться на техническое описание Pentagon'а, его контроллера дисковода и мечтать...

Но вернёмся к техническому описанию. О существовании компьютера Pentagon-48 я узнал из книги "ZX-Spectrum. Практические советы пользователю компьютера" изданной в 1992 году в Новополоцке научно-производственным центром "Тинопос".

Обложка книги «ZX-Spectrum. Практические советы пользователю компьютера»

Этот центр издавал много брошюр по ZX-Spectrum. Но эта книга выгодно отличалась от других тем, что содержала описание схем Pentagon-48 и Ленинград-1, доработки для Ленинград-1, а также в качестве приложения были схемы Pentagon-48+BDI, и Ленинград-1. И, как потом выяснилось, в книге было достаточное количество опечаток и ошибок. Однако это не мешало на основании всей этой информации понемногу разбираться в принципах работы своего Ленинграда и даже спаять для него кое-что из периферии.

Вернемся к Pentagon'у. Я не буду в этом тексте касаться истории создания этой модели и характеристиках - это хорошо описано на speccy.info. Не так давно на форуме zx.pk.ru Heiniken'ом было организовано изготовление печатных плат для сборки Pentagon-48. Такую возможность я не мог упустить, и вскоре держал в руках чистую плату:

печатная плата для самостоятельной сборки компьютера «Pentagon-48»
печатная плата для самостоятельной сборки компьютера «Pentagon-48»
печатная плата для самостоятельной сборки компьютера «Pentagon-48»
печатная плата для самостоятельной сборки компьютера «Pentagon-48»
печатная плата для самостоятельной сборки компьютера «Pentagon-48»

Поскольку новая плата немного отличается по разводке от оригинальной, всё, написанное далее в этой статье, относится к "новой" версии компьютера, но с определёнными ограничениями вполне может быть применимо и к "оригинальному" Пентагону.

Интересной особенностью схемы компьютера является то, что вся схема разделена на две части - непосредственно сам компьютер и контроллер дисковода. В каждой части схемы нумерация элементов повторяется. Т.е. на схеме компьютера есть DD1, и в контроллере дисковода тоже есть DD1. Поэтому существует вероятность, что при сборке компьютера можно перепутать эти самые DD1. К счастью, плата компьютера чётко разделена на две части, поэтому при монтаже ошибиться таки сложно. В качестве примера можно привести следующее фото:

Красным цветом проведена линия, условно разделяющая плату компьютера на две части. Слева - сам компьютер. Справа - контроллер дисковода
Красным цветом проведена линия, условно разделяющая плату компьютера на две части. Слева - сам компьютер. Справа - контроллер дисковода
Красным цветом проведена линия, условно разделяющая плату компьютера на две части. Слева - сам компьютер. Справа - контроллер дисковода

Ошибки на плате компьютера

Это касается только новых изготовленых плат!

На плате есть некоторые неточности:

Ошибка включения транзистора VT1
Фрагмент схемы компьютера:

Красным цветом показана неправильная связь (так было разведено на плате). Зеленым цветом показано как надо сделать.

Проблема решается путём пайки одной перемычки. Над VD4 и С8 сидит переходное отверстие. Ниже него горизонтально проходит проводник. Перерезать этот проводник правее отверстия. Соединить отверстие и проводник перемычкой (проводник в месте контакта очистить от маски). На рисунка показана плата со стороны элементов:

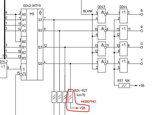
Ошибка в обозначении сигналов RGB-выхода
Сигналы на плате должны обозначаться так:

Ошибка во включении резистора R27
Резистор R27 изначально подключен следующим образом:

При таком включении при работе компьютера будет бордюр повышенной яркости, т.к. при выводе бордюра, когда выводы мультиплексора DD42 переводятся в Z-состояние, на яркостной сигнал Y (1DD43) через резистор R27 подаётся лог.1. Для устранения этого недоразумения необходимо подключить R27 к общему проводу:

На плате это будет выглядеть следующим образом:

Т.е. поднимаем вывод R27, которым он подсоединялся к +5В и перепаиваем на общий провод (рядом расположен блокировочный конденсатор, к которому можно припаяться).

Проблемы с разводкой цепей питания
На плате цепи питания +5В/GND разведены несколько неудачно, из-за чего возможны всякие нехорошие глюки. В моем случае это проявлялось в виде непредсказуемого "мусора", появляющегося в цепи сигнала синхронизации видеовыхода. Помогло дублирование цепей питания проводами из одного конца платы в другой:

Толстым проводом МГТФ продублированы цепи питания от DD12 (К561ИЕ10) к DD9 (КР1533ИЕ5)
Толстым проводом МГТФ продублированы цепи питания от DD12 (К561ИЕ10) к DD9 (КР1533ИЕ5)
Толстым проводом МГТФ продублированы цепи питания от DD12 (К561ИЕ10) к DD9 (КР1533ИЕ5)

Также на плате компьютера почти нет блокировочных конденсаторов по цепям питания микросхем. Поэтому конденсаторы придётся паять прямо на микросхемы из расчёта примерно один конденсатор на две-три микросхемы. Для микросхем ОЗУ (DD27-DD34) необходимо паять по конденсатору на каждую микросхему. На фотографии выше конденсаторы припаяны прямо на плату на выводы микросхем.

Ошибки и недоработки в схеме компьютера

Проблема с нестабильной шиной данных
Из-за отсутствия резисторов, "подтягивающих" шину данных к +5В, при чтении из портов, отсутствующих в компьютере, с шины считывается всякий "мусор", т.е. случайные значения. В этом можно убедиться, набрав простейшую программу на бейсике:
10 PRINT IN 255
20 GOTO 10

При этом на экран будут выведены совершенно случайные числа, в то время как в "правильном" компьютере должны выводиться числа 255.

Кроме этого в цикле подтверждения прерывания, когда на шине данных должны быть только лог.1, читается тот же мусор, что вызывает глюки в некоторых программах.

Решением этой проблемы является установка резисторной сборки на шину данных. Это очень удобно делать, напаивая резисторы на микросхему КР580ВА86 (DD24 в BDI). Это можно сделать, к примеру, так:

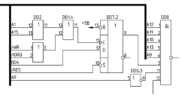
Некорректная работа кнопки RESET
Собственно говоря дело не в самой кнопке сброса, а в контроллере дисковода. Его схемотехника такова, что если во время нажатия на кнопку RESET было активно ПЗУ с TR-DOS, то сброс происходит не в BASIC-48, а в TR-DOS. Проблема кроется во включении DD7.1 в BDI. На неё не подаётся сигнал сброса. Соответственно при активном TR-DOS по сигналу сброса триггер так и окажется в состоянии лог.0 на выходе 5, и мы попадаем в TR-DOS.

Проблема решается подачей сигнала RESET на вывод 4 микросхемы через развязывающий диод:

Второй диод нужен для того, чтобы при нажатии кнопки RESDOS сигнал сброса не попал на вход 4 DD7 в BDI, т.к. одновременная подача лог.0 на входы R и S триггера ТМ2 недопустима.

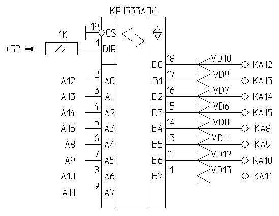
Буферирование клавиатуры
В Pentagon-48 так же, как в Ленинграде-1, отсутствует буфер между клавиатурой и шиной адреса. В случае, если проводники, соединяющие клавиатуру с платой компьютера довольно короткие (скажем сантиметров 10 длиной), особых глюков в работе компьютера может и не быть. Но при достаточно длинных проводах от клавиатуры мы получаем нехилые ёмкости, которые вносят глюки в работу компьютера. В этом случае поможет введение буфера между шиной адреса Z80 и клавиатурой.

В Pentagon-48 разводка платы позволяет без особых усилий включить буфер на КР1533АП6 по следующей схеме:

На плате это выглядит следующим образом:

Клавиатурный буфер на КР1533АП6
Клавиатурный буфер на КР1533АП6
Клавиатурный буфер на КР1533АП6

Думаю, комментарии излишни - на фотографии всё видно.

Доработка сигналов выбора накопителя
В контроллере дисковода сигналы для выбора накопителя (/SELA, /SELB, /SELC, /SELD) не буферированы. При подключении дисковода один из этих сигналов будет "притянут" к +5В через резистор сопротивлением от 150 до 330 Ом. Выход КР1533ИД14 может быть нагружен током до 8 мА при лог.1 на нём. Даже при использовании в дисководе резисторной сборки сопротивлением 330 Ом выходной ток будет больше 8 мА. Конечно же можно оставить всё как есть - микросхема от этого вряд ли сгорит, но я подумал, что если уж делать, то делать правильно. Поэтому имеет смысл поставить между КР1533ИД14 и разъёмом для подключения дисковода повторители с открытым коллектором, например К155ЛП9:

Микросхему К155ЛП9 пришлось паять вверх ногами:

Повторюсь - эта доработка необязательна.

Лишние элементы на схеме контроллера дисковода
На схеме контроллера дисковода есть несколько элементов, назначение которых необязательно для нормальной работы компьютера:

Это не что иное, как порт #7FFD, вернее, бит 4 порта #7FFD. Логика работы схемы такова, что при лог.0, записанном в бит 4 порта, не разрешается выбор контроллера дисковода. Это актуально для компьютера со 128К памяти и ПЗУ со "128-м меню". Но что делает этот узел в обычном 48-м компьютере - неясно. Во избежание недоразумений можно отключить его. Для этого достаточно отрезать вывод 3 КР1533ЛА2 от триггера и подключить его хотя быть к 11-му выводу ЛА2:

Также в контроллере дисковода по-видимому являются лишними микросхемы DD20 и DD21 (К561ИЕ11). Их выходы никуда не подключаются, и назначение их по крайней мере для меня непонятно. На практике контроллер дисковода отлично работает и без них.

Дополнительные порты

На плате компьютера есть параллельный порт, выполненный на КР580ВВ55. Он имеет следующие адреса:
Порт PA - #1F (на чтение может использоваться как Kempston Joystick)
Порт PB - #3F
Порт PC - #5F
Регистр управляющего слова для ВВ55 - #7F

Все линии порта на КР580ВВ55 выведены на внешний разъём X1 и могут использоваться для расширения возможностей компьютера. Например, для подключения программатора и т.п.

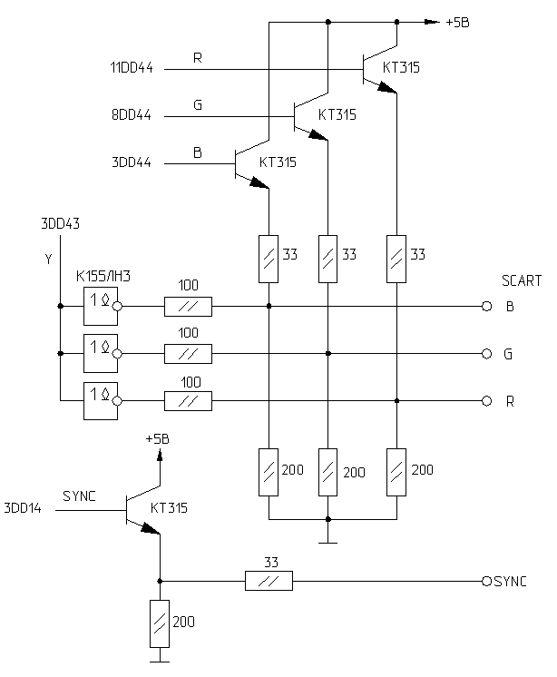
Видеовыход

В Pentagon-48 видеовыход выполнен в виде обычных TTL-выходов, т.е. напрямую его нельзя подключить к разъёму SCART телевизора, поэтому требуется дополнительная переходная плата для формирования сигналов RGB для SCART. Для этого можно использовать любую подходящую схему формирования выходных сигналов RGB. К примеру, от компьютера KAY-1024:

Точно такая же схема видеовыхода была опробована мной в компьютере SpeccyBob и показала хорошие результаты.

В моём случае TTL-выходы отлично подошли для подключения видеоадаптера от компьютера "Байт". Pentagon-48 отлично заработал с PAL-кодером.

Собранная плата компьютера «Pentagon-48.
Собранная плата компьютера «Pentagon-48.
Собранная плата компьютера «Pentagon-48.

Документация и ссылки

Скачать:
ZX-Spectrum. Практические советы пользователю компьютера (НПЦ "Тинопос", Новополоцк, 1992)Описание сборки, настройки компьютеров Pentagon-48 и Ленинград-1, а также их доработок и дополнительной самодельной периферии
Скан схемы Beta Disk Interface из состава Pentagon-48 (исходная схема не в самом хорошем качестве)
Осциллограммы для настройки Pentagon-48 (исходник для сканирования не самого лучшего качества)
Схема компьютера в хорошем качестве (редакция от 25.03.2013)
Монтажная схема компьютера в хорошем качестве (редакция от 25.03.2013)
Разводка печатной платы (файл в формате *.lay, автор - Heiniken)
Расширение памяти Pentagon-48 до 128К (статья из журнала "Радиолюбитель. Ваш компьютер)
Прошивки ПЗУ для Pentagon-48. Ничего особенного - канонiчный BASIC-48 и TR-DOS 5.04T
Ссылки:
Pentagon-48 на сайте SBLive.Narod.ru