Spectrum-сумяшчальныя кампутары «Байт», «Байт-01» і іншыя рарытэты

3 / 483
BY EN RU

Балтык

Балтык - Spectrum-сумяшчальны кампутар, распрацаваны ў канцы 80-х гадоў.

Кампутар «Балтык»

Месца распрацоўкі і поўная геаграфія яго распаўсюджвання мне невядомыя, але кампутар быў папулярны ў г. Мінск дзякуючы кааператыву «Санет» (пра яго гаворка пойдзе ніжэй). Што да года распрацоўкі, то сустракаліся згадванні 1988 году ў прашыўках ПЗУ для Балтыка, і на схеме кантролера дыскавода варта капірайт 1988 году.

Адметныя асаблівасці кампутара «Балтык»:

  • невялікая колькасць мікрасхем (46 карпусоў) дзякуючы выкарыстанню 4-х мікрасхем К155РЕ3 і КР556РТ4, якія дазволілі «эканоміць» на карпусах дробнай логікі;
  • нестандартная для Спектрума тактавая частата працэсара (4МГц супраць 3,5МГц у «звычайным» Спектруме);
  • наяўнасць паралельнага порта на мікрасхеме КР580ВВ55, што палягчае падлучэнне прынтэра і дадатковай перыферыі;
  • наяўнасць дадатковых магчымасцяў такіх як уключэнне замест ПЗУ вольнай вобласці АЗП, пераключэнне месцазнаходжання ў памяці экраннай вобласці;
  • наяўнасць праграмнага забеспячэння, якое выкарыстоўвала ўсе гэтыя дадатковыя магчымасці;
  • адсутнасць у схеме кампутара паўнавартаснага відэавыхаду; меркавалася, што карыстач сам павінен абраць якім чынам ён будзе падлучаць «Балтык» да тэлевізара ці манітору і адпаведна сам павінен быў спаяць каскады відэавыхаду на адмыслова пакінутым на плаце мантажным полі. Аднак кампутары, якія вырабляліся кааператывам «Санет», ужо мелі RGB відэавыхад;
  • большую частку рэзістараў прапануецца мантаваць навясным мантажом.
  • Трохі гісторыі

    Гэты раздзел артыкула складзены па ўспамінах некалькіх чалавек, якія працавалі ў кааператыве «Санет», а таксама па маіх асабістых назіраннях. Увага! Прыведзеныя даты могуць быць недакладнымі (у рэшце рэшт прайшло ўжо столькі гадоў...)

    У Менску кампутары «Балтык» выпускаліся прыкладна з 1988 гады кааператывам «Санет». Адным з заснавальнікаў кааператыва быў Барэйша (яго артыкулы па «Балтыку» публікаваліся ў часопісе «Радыёаматар»). Кропка продажу ″Балтыкаў″ знаходзілася па вул. Амурская. Вытворчасць «Балтыкаў» была размешчана ў будынку школы па вул. Я. Маўра.

    Раннія экзэмпляры кампутара «Балтык» выпускаліся ў корпусе, неафіцыйна званым «каблук» (з убудаванным блокам сілкавання):

    «Балтык»
    «Балтык»
    «Балтык»

    Пазней «Балтыкі» сталі вырабляцца ў звычайным плоскім корпусе з асобным блокам сілкавання:

    «Балтык» вытворчасці кааператыва «Санет» (з знешнім блокам сілкавання)
    «Балтык» вытворчасці кааператыва «Санет» (з знешнім блокам сілкавання)
    «Балтык» вытворчасці кааператыва «Санет» (з знешнім блокам сілкавання)
    «Балтык» вытворчасці кааператыва «Санет» (з знешнім блокам сілкавання)
    «Балтык» вытворчасці кааператыва «Санет» (з знешнім блокам сілкавання)

    Кааператывам выпускаліся кампутары «Балтык» некалькіх мадыфікацый:

  • Проста «Балтык» - звычайны 48К кампутар з магчымасцю загрузкі праграм толькі з магнітафона;
  • «Балтык +» – кампутар з дыскаводам, працаваў пад кіраваннем сістэмы «Disk Monitor»;
  • «Балтык++» - тое ж самае, што і «Балтык+», але акрамя сістэмы «Disk Monitor» ён мог працаваць у сістэме CP/M;
  • «Балтык+2» - у адрозненне ад папярэдняга меў у камплекце прынтэр;
  • «Балтык+3» - у дадатак да прынтэра быў з двума дыскаводамі;
  • «Балтык+4» - тое ж самае, што і «Балтык+3», але не меў прынтэра.
  • Мадэлі з CP/M не карысталіся попытам (экзатычнасць, кошт). Прыкладна іх было выпушчана ад 50 да 100 штук.

    Па заяўках ад пакупнікоў кааператывам вырабляліся «Балтыкі» з TR-DOS. Па недакладных дадзеных кантролер дыскавода быў універсальным - мог працаваць як у TR-DOS, так і з CP/M.

    У вытворчасці былі занятыя дзве жанчыны (паянне плат), два ці тры мантажнікі, два наладчыкі і адзін распрацоўшчык перыферыі.

    Платы судзячы па ўсім заказваліся на Менскам заводзе друкаваных плат (хто ў курсе, калі я памыліўся, папраўце). Часам платы трапляліся з дэфектамі (галоўным чынам дробныя парывы ​​праваднікоў).

    Адзін раз трапілася партыя дрэнна запускаюцца плат (то працуюць, то не, то адразу запускаюцца, а потым глючаць, ці наадварот - спачатку глючаць, а праз некаторы час пачынаюць працаваць нармальна). Пасля доўгіх старанняў наладчыкаў частку плат атрымалася прывесці ў працоўны выгляд і прадаць, астатнія сышлі ў разборку.

    ПЗУ для «Балтыка» (РЕ3, РТ4 і РФ-кі) прашываліся на месцы на самапальным праграматары, падлучаным да «Балтыка». Тэрмапрагонка для РТ4 і РЕ3 рабілася шляхам усталёўкі ПЗУ у плату кампутара і вытрымліваннем ва ўключаным стане на працягу двух сутак.

    ПЗУ з прашыўкай CP/M на першую пару мелі абарону ад капіявання ў выглядзе «плаваючых» бітаў. Крыху пазней абарону прыбралі ў сувязі з праблемамі пры запуску кампутараў у CP/M.

    «Балтыкі» вырабляліся кааператывам прыкладна да 1995-1996 гадоў.

    Апроч кампутараў кааператыў «Санет» прадаваў асобна пустыя платы для самастойнай зборкі «Балтыка», карпусы кампутараў, платы кантролера дыскавода, прашытыя ПЗУ і дыскеты з CP/M для таго ж «Балтыка».

    Платы для самастойнай зборкі кампутара «Балтык»
    Платы для самастойнай зборкі кампутара «Балтык»
    Платы для самастойнай зборкі кампутара «Балтык»
    Платы для самастойнай зборкі кампутара «Балтык»
    Платы для самастойнай зборкі кампутара «Балтык»

    Таксама платы для зборкі ″Балтыка″ можна было ў той час купіць на мясцовым радыёрынку.

    У Беларусі вытворчасцю Балтыка займаўся не толькі «Санет». Мне дакладна вядома, што ў Гродне ў сярэдзіне 90-х гадоў адзін чалавек збіраў «Балтыкі» як з CP/M, так і з кантролерам Beta Disk.

    Акрамя кааператыва ″Санет″ вытворчасцю (пайкай, наладкай, зборкай) ″Балтыкаў″ у Мінску ў перыяд прыкладна 1990-1995 гадоў займалася маса студэнтаў Мінскага Радыётэхнічнага Інстытута, ды і проста многія аматары-самаробнікі (навучэнцы іншых ВНУ, тэхнікумаў, проста радыёаматары). На Менскім радыёрынку ў гэтыя гады заўсёды былі ў наяўнасці платы для зборкі «Балтыкаў», усе неабходныя мікрасхемы, прашытыя ПЗУ, карпусы для зборкі (найболей удалым у гэтым плане ўяўляецца корпус ад кампутара Інтэр/Квант), платы для клавіятур, зробленыя пад герконавыя кнопкі ад ЕС1840/41 (зноў жа, лепшы варыянт клавіятуры для таго часу), розныя варыянты для блокаў сілкавання, дыскаводы, кантролеры дыскаводаў і г.д і да т.п. У адным толькі МРТІ адначасова навучаліся тысячы студэнтаў - вядома, не ўсе яны збіралі «Балтыкі», але многія з іх сабралі больш за адзін кампутар, а некаторыя і зусім удзельнічалі ў «дробнасерыйнай-неафіцыйнай» вытворчасці кампутараў і перыферыі.

    У 1996 годзе на 1-м курсе БДУІР купіў за 5$ (па тых часах нармальныя грошы) «Балтык», сабраны адным са студэнтаў ВНУ.

    Буду рады любой праверанай інфармацыі па кааператыве ″Санет″. Калі ёсць што сказаць, калі ласка, напішыце мне

    Невялікая падборка розных «Балтыкаў»

    Тыповы «Балтык» вытворчасці кааператыва «Санет»
    Тыповы «Балтык» вытворчасці кааператыва «Санет»
    Тыповы «Балтык» вытворчасці кааператыва «Санет»
    Тыповы «Балтык» вытворчасці кааператыва «Санет»
    Тыповы «Балтык» вытворчасці кааператыва «Санет»

    Плата кампутара «Балтык»
    Плата кампутара «Балтык»
    Плата кампутара «Балтык»

    Шыльдзік

    Звернеце ўвагу на амаль поўную адсутнасць блакавальных кандэнсатараў на плаце і на тое, што гэтая плата без раўналежнага порта на КР580ВВ55 (на яе месцы знаходзіцца КР1533ТМ8 для фармавання відэавыхаду з градацыямі яркасці).

    У гэтым «Балтыке» унутраны блок сілкавання
    У гэтым «Балтыке» унутраны блок сілкавання
    У гэтым «Балтыке» унутраны блок сілкавання
    У гэтым «Балтыке» унутраны блок сілкавання
    У гэтым «Балтыке» унутраны блок сілкавання

    У такім корпусе «Балтыкі» таксама былі распаўсюджаныя. Хутчэй за ўсё гэта таксама вытворчасць кааператыва «Санэт» - у левай верхняй частцы корпуса знаходзіцца лагатып «Балтыка», і такі ж лагатып знаходзіцца ў застаўцы адной з прашывак ПЗУ, зробленай для «Балтыка» кааператывам «Санэт»:

    Лагатып кааператыва «Санет»

    Гэты «Балтык» з кантролерам Beta Disk Interface змантавалі ў корпусе ад нейкага іншага апарата
    Гэты «Балтык» з кантролерам Beta Disk Interface змантавалі ў корпусе ад нейкага іншага апарата
    Гэты «Балтык» з кантролерам Beta Disk Interface змантавалі ў корпусе ад нейкага іншага апарата

    А гэта - сапраўдны твор мастацтва. Паглядзіце як старанна ўручную зроблены рознакаляровыя надпісы на кнопках клавіятуры!
    А гэта - сапраўдны твор мастацтва. Паглядзіце як старанна ўручную зроблены рознакаляровыя надпісы на кнопках клавіятуры!
    А гэта - сапраўдны твор мастацтва. Паглядзіце як старанна ўручную зроблены рознакаляровыя надпісы на кнопках клавіятуры!

    І гэта «Балтык», дарэчы, вельмі акуратна зроблены
    І гэта «Балтык», дарэчы, вельмі акуратна зроблены
    І гэта «Балтык», дарэчы, вельмі акуратна зроблены
    І гэта «Балтык», дарэчы, вельмі акуратна зроблены
    І гэта «Балтык», дарэчы, вельмі акуратна зроблены
    І гэта «Балтык», дарэчы, вельмі акуратна зроблены
    І гэта «Балтык», дарэчы, вельмі акуратна зроблены

    І гэта «Балтык», дарэчы, вельмі акуратна зроблены
    І гэта «Балтык», дарэчы, вельмі акуратна зроблены
    І гэта «Балтык», дарэчы, вельмі акуратна зроблены

    Кампутар «Балтык» у прэсе

    Папулярызацыі «Балтыка» спрыяў цыкл артыкулаў паўрэкламнага характару У.Барэйша ў часопісе «Радыёаматар», пачынаючы з самага першага нумара часопіса (№1 за 1991 год). У іх апісваўся кампутар, была дадзена схема «Балтыка», асаблівасці яго зборкі і наладкі, а таксама апісанне асноўных дапрацовак, такіх як Disk Monitor і кантролер дыскавода для працы ў сістэме CP/M.

    Часопісы «Радыёаматар» з артыкуламі пра кампутар «Балтык»
    Часопісы «Радыёаматар» з артыкуламі пра кампутар «Балтык»
    Рэклама кампутара «Балтык» у часопісе «Радыёаматар»
    Рэклама кампутара «Балтык» у часопісе «Радыёаматар»
    Рэклама кампутара «Балтык» у часопісе «Радыёаматар»
    Рэклама кампутара «Балтык» у часопісе «Радыёаматар»
    Часопісы «Радыёаматар» з артыкуламі пра кампутар «Балтык»
    Рэклама кампутара «Балтык» у часопісе «Радыёаматар»
    Рэклама кампутара «Балтык» у часопісе «Радыёаматар»

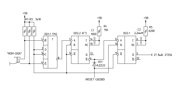
    Disk Monitor і ROM-disk

    Гэтыя дзве дапрацоўкі ідуць сумесна, таму аб′яднаны ў адно апісанне. Сутнасць працы ROM-дыска ў тым, што пры націску на кнопку «ROM-дыск» замест ПЗУ з Бейсікам уключаецца дадатковы банк ПЗУ, дзе размешчаны ROM-дыск. Змесціва ROM-дыска перакідваецца ў АЗП кампутара і адтуль запускаецца стартавае меню ROM-дыска, адкуль можна абраць патрэбную праграму.

    Меню ROM-дыска ў кампутары «Балтык»

    Гэта адно з магчымых меню ROM-дыска (у розных версіях ПЗУ былі розныя ROM-дыскі).

    Цікавая асаблівасць схемы запуску ROM-дыска: пры націску кнопкі «ROM-disk» на кароткі час (прыкладна палова секунды) павінен уключыцца банк ПЗУ з ROM-дыскам і адначасова адбыцца RESET кампутара. Пры гэтым пры RESET змесціва ROM-дыска павінна паспець скапіявацца ў памяць, перш чым банк ПЗУ пераключыцца зваротна на «стандартнае» ПЗУ.

    Прапанаваная схема з часопіса «Радыёаматар»:

    Схема запуску ROM-дыска ў кампутары «Балтык»

    У гэтай схеме часавы інтэрвал уключэння банка ПЗУ з ROM-дыскам вызначае пастаянная разраду RC-ланцужкі. Мне не атрымалася дамагчыся ўстойлівага і бязглючнага ўключэння ROM-дыска па гэтай схеме, таму я вырашыў трохі ўскладніць схему, але затое ў выніку ROM-дыск стаў уключацца ідэальна:

    Дапрацаваная схема запуску ROM-дыска ў кампутары «Балтык»

    DD1.1. прыбірае бразгат кантактаў кнопкі. DD2.2 фармуе кароткі імпульс скіду, DD2.1 фармуе доўгі імпульс (парадку 0,5 сек) уключэнні банка ПЗУ з ROM-дыскам.

    Калі ў меню ROM-дыска націснуць любую незадзейнічаную клавішу (напрыклад, Enter), то ў памяць кампутара з адраса #0000 загрузіцца праграма Disk Monitor. Пры гэтым адбудзецца «звычайны» скід кампутара ў Бейсік, па затое зараз пры націску кнопкі «NMI» мы апыняемся ў Disk Monitor′е:

    Акно праграмы «Disk Monitor» у кампутары «Балтык»

    Disk Monitor - гэта па ісце звычайны манітор з які адпавядае наборам функцый, якія дазваляюць праглядаць, рэдагаваць, захоўваць і загружаць дадзеныя з магнітнай стужкі або дыскеты (пры наяўнасці кантролера дыскавода). Па камандзе Return можна вярнуцца зваротна ў перапыненую праграму і паглядзець на вынікі працы. Такім чынам Disk Monitor вельмі падобны на ценявы сэрвіс-манітор кампутара Scorpion ZS256. Спіс каманд Disk Monitor′а ёсць у кіраўніцтве па эксплуатацыі кампутара (спасылка ў канцы старонкі).

    Для «Балтыка» вельмі пажадана выправіць фармаванне сігналу INT (апісанне дапрацоўкі ёсць у часопісных публікацыях). Без гэтага некаторыя праграмы маглі не працаваць на «Балтыке». Напрыклад не працуе капіроўшчык TF-Copy з ROM-дыска.

    Праца с сістэмай CP/M

    Для кампутара «Балтык» адаптаваная сістэма CP/M. Яна працуе ў графічным рэжыме 64 сімвала ў радку. Для працы з CP/M патрабуецца наяўнасць кантролера дыскавода. Схема кантролера апублікаваная ў часопісе «Радыёаматар».

    Плата кантролера дыскавода для кампутара «Балтык»
    Плата кантролера дыскавода для кампутара «Балтык»
    Плата кантролера дыскавода для кампутара «Балтык»
    Плата кантролера дыскавода для кампутара «Балтык»
    Плата кантролера дыскавода для кампутара «Балтык»

    У розных варыянтах кантролера дыскавода ён мог працаваць як з адным, так і з двума дыскаводамі. Схема кантролера вельмі простая, і адпаведна не вельмі надзейна якая працуе. Выходныя сігналы не буфераваныя на элементах з адчыненым калектарам. Аднак нягледзячы на ​​гэта кантролер дыскавода працуе :)

    Наконт спрошчанай схемы фарміравання сігналу запісу ў кантролеры дыскавода для «Балтыка» С.Рюмік пісаў у артыкуле «Кантролер дыскаводаў. Канал запісу»:

    Калі параўнаць паміж сабой часавыя параметры сігналаў -WD і -WRDATA, можна зразумець, чаму, насуперак рэкамендацыям распрацоўнікаў [6], працуе схема найпростага вузла запісу, прыведзеная на мал.9 (CPU ″Балтык″, ″Эрык″).

    Схема фармавання сігналу запісу ў кантролеры дыскавода кампутара «Балтык»

    Выходны сігнал кантролера – WRDATA атрымліваецца шляхам лагічнага інвертавання сігналу WD. Гэта магчыма, т.я. допускі на працягласць WRDATA больш, чым на WD. Далей -WRDATA праз раздым X1 па кабелі паступае ў дыскавод.
    ...

    Інфармацыя, запісаная пры дапамозе прыведзенай схемы, як правіла, без пытанняў счытваецца з знешніх дарожак дыскеты, а пры ювелірнай юстыроўцы дыскавода, фірмовай зборцы, высокай якасці дыскет - і з унутраных дарожак. Магчымасць абмену запісамі з калегамі ўсё ж такі застаецца праблематычнай, т.я. пры змене дыскавода ўпэўненае чытанне інфармацыі з апошніх дарожак не гарантуецца з-за эфекту «зруху пікаў».

    Кантролер дыскавода першапачаткова ствараўся як знешняя прылада, якая стыкуецца з «Балтыкам» праз раздым тыпу DB-25.

    Так выглядае экран пры загрузцы CP/M у кампутары «Балтык»:

    Экран CP/M у кампутары «Балтык»

    Экран CP/M у кампутары «Балтык»

    Для карэктнай працы CP/M у компутары «Балтык» патрабуецца перепрошивка мікрасхемы К155РЕ3 з літарай ″D″. Праблема крыецца ў памылковых байтах, якія адказваюць за працу з экраннай вобласцю ў CP/M. Пры старой версіі прашыўкі пры загрузцы CP/M на экране назіраецца «каша» з каляровых кропак:

    CP/M у кампутары «Балтык» на «старой» прашыўцы РЕ3 «D»

    Выпраўленне прашыўкі РЭ3 «D»

    Дыскеты для «Балтыка» маюць фармат 5 сектараў па 1024 байта і 160 лагічных дарожак (80 фізічных, 2 бакі). Пабайтавая выява дыскеты ў гэтым выпадку мае аб′ём 5*1024*160=819200 байт. Гэтыя дыскеты маюць такі ж самы фармат, як у кампутарах «Карвет», «Арыён-128», «Байт-01». Дыскеты могуць быць запісаныя і прачытаныя на Спектруме ўтылітамі для iS-DOS і TASiS (гл. у канцы гэтага артыкула).

    Карта партоў кампутара «Балтык»

    Біты Адрас Рэжым Апісанне
    76543210
    0 1 1 1 1 1 1 0 #7E (126dec)WriteСістэмны рэгістр
    0 1 1 1 1 1 1 1 #7F (127dec)Read/WriteКанфігурацыйны рэгістр порта ВВ55
    0 0 0 1 1 1 1 0 #1F (31dec)Read/WriteРэгистр «A» порта ВВ55
    0 0 1 1 1 1 1 0 #3F (63dec)Read/WriteРэгистр «B» порта ВВ55
    0 1 0 1 1 1 1 0 #5F (95dec)Read/WriteРэгистр «C» порта ВВ55
    1 1 1 1 1 1 1 0 #FE (254dec)ReadКлавіятура / чытанне даных з магнітафона
    1 1 1 1 1 1 1 0 #FE (254dec)WriteКлавіятура/запіс даных на магнітафон/гук

    Шэрым колерам адзначаны біты, па якіх робіцца дэшыфрацыя адрасу.

    Парты кантролера дыскавода:

    Біты Адрас Рэжым Апісанне
    76543210
    1 1 1 1 1 0 0 1 #F9 (249dec)Read/WriteРэгістр статусу
    1 1 1 1 1 0 1 1 #FB (251dec)Read/WriteРэгістр трэка
    1 1 1 1 1 1 0 1 #FD (253dec)Read/WriteРэгістр сектара
    1 1 1 1 1 1 1 1 #FF (255dec)Read/WriteРэгістр даных

    Шэрым колерам адзначаны біты, па якіх робіцца дэшыфрацыя адрасу.

  • Сістэмны рэгістр:

    Сістэмны рэгістр

    Біты 0 і 1 кіруюць пераключэннем экранаў для АС CP/M.

    Біт 2 - першапачаткова не выкарыстоўваецца, але задзейнічаецца пры выкарыстанні CP/M (пры дапрацоўцы кампутара):

    Біт 2 сістэмнага рэгістра

    Біт 7 дазваляе адключыць ПЗУ і на яго месца падставіць «ценявую» вобласць АЗП. Пры значэнні 0 уключана ПЗУ, пры запісе 1 у гэты біт ПЗУ адключаецца, і на яго месца падстаўляецца «ценявая» вобласць АЗП. Гэтая частка АЗП не ўваходзіць у асноўныя 48КБ памяці кампутара «Балтык».

    Усе біты сістэмнага рэгістра ўстанаўліваюцца ў 0, кали выконваць RESET камп′ютара.

    Кантролер дыскавода на чыпе UM8272

    Кантролер дыскавода для кампутара «Балтык» на чыпе UM8272 (аўтар фатаграфій - Аляксей Рагавік)
    Кантролер дыскавода для кампутара «Балтык» на чыпе UM8272 (аўтар фатаграфій - Аляксей Рагавік)
    Кантролер дыскавода для кампутара «Балтык» на чыпе UM8272 (аўтар фатаграфій - Аляксей Рагавік)
    Кантролер дыскавода для кампутара «Балтык» на чыпе UM8272 (аўтар фатаграфій - Аляксей Рагавік)
    Кантролер дыскавода для кампутара «Балтык» на чыпе UM8272 (аўтар фатаграфій - Аляксей Рагавік)

    Існуе варыянт кампутара ″Балтык″ з кантролерам дыскавода на мікрасхеме U8272.

    Прынцып працы сістэмы: націскам кнопкі перапынення выклікаецца меню дыскавода. На дыск можна захоўваць бягучы стан памяці або загружаць захаваную вобласць памяці з дыскавода. Усяго было можна захаваць 16 дампаў памяці на дыскету аб′ёмам 720К.

    Распрацоўнік платы - Кукета, г. Мінск.

    Прашыўкі ПЗУ для кампутара «Балтык»

    Для кампутара «Балтык» існуе некалькі варыянтаў прашывак ПЗУ:

    Прашыўкі для ПЗУ 16К з BASIC48:

    Прашыўка №1  Спампаваць
    Адрозненне ад стандартнай прашыўкі BASIC48 – патоўшчаны шрыфт.

    Прашыўка №2  Спампаваць
    Прашыўка Санэт v1.2. Мае прыгожую застаўку.

    Прашыўка №3  Спампаваць
    Прашыўка Турба. Мае рускія сімвалы ў псеўдаграфіцы.

    Прашыўка №7  Спампаваць
    BALTIC RUSSIAN 1988.

    Прашыўкі для ПЗУ 27256 з ROM-дыскам і загрузчыкам CP/M:

    Прашыўка №4  Спампаваць
         
    Прашыўка «1988 BALTIC RUSSIAN & CP/M». ROM-дыск змяшчае капіроўшчык TF-Copy, загрузчык CP/M і асэмблер.

    Прашыўка №5  Спампаваць
           
    Прашыўка «1992 Балтык турба». ROM-дыск змяшчае капіроўшчык, загрузчык CP/M, праграму для фарматавання дыскаў і праграму Tape Test. Таксама маюцца рускія сімвалы ў псеўдаграфіцы.

    Прашыўка №6  Спампаваць
           
    Яшчэ адна версія прашыўкі «1992 Балтык турба». Ад прашыўкі №5 адрозніваецца колерам меню ROM-дыска і стандартным знакагенератарам псеўдаграфікі.

    «Балтык» і БМК Т34ВГ1

    Па непацверджанай інфармацыі схематэхніка кампутара «Балтык» была выкарыстаная ў якасці асновы пры праектаванні мікрасхемы БМК Т34ВГ1

    У карысць гэтай версіі кажа той факт, што ў Т34ВГ1 і ў «Балтыке» тактавая частата працэсара роўная 4 МГц.

    Пашырэнне памяці кампутара «Балтык»

    Аб′ём АЗП можна павялічыць да 128К пры дапамозе дадатковай платы пашырэння. Таксама ёсць схема пашырэння памяці да 512К ад Micruho-Maklaj (спасылка на схему ў канцы гэтай старонкі).

    Схема «Балтыка»

    Якаснай схемы «Балтыка», акрамя апублікаванай у часопісе, я не бачыў. Але дзякуючы сайту http://sblive.narod.ru з′явілася адноўленая па наяўных платах схема без памылак. На яе аснове я зрабіў схему ў больш-менш чытэльным па ДАСТе выглядзе (спасылка на схему ў канцы гэтай старонкі).

    Мой «Балтык» з CP/M

    На працягу доўгага часу я лічыў, што прашыўкі ПЗУ 27256 з Disk Monitor і дыскеты з CP/M для «Балтыка» згубленыя. Бо дамп прашыўкі ў часопісах не публікаваўся. Ні ў кога са знаёмых такога не было ці было даўно выкінута. Але знайшліся добрыя людзі (rl76 і Backa), якія змаглі падзяліцца і прашыўкамі і дампам дыскеты. Такім чынам з′явілася магчымасць паўтарыць версію «Балтыка» з CP/M. Вось што ў мяне атрымалася:

    Самаробны «Балтык» з CP/M
    Самаробны «Балтык» з CP/M
    Самаробны «Балтык» з CP/M
    Самаробны «Балтык» з CP/M
    Самаробны «Балтык» з CP/M

    Самаробны «Балтык» з CP/M
    Самаробны «Балтык» з CP/M
    Самаробны «Балтык» з CP/M
    Самаробны «Балтык» з CP/M
    Самаробны «Балтык» з CP/M

    Спампаваць:
    Цыкл публікацый па кампутары «Балтык» з часопіса «Радыёаматар»
    Інструкцыя кампутара «Балтык» вытворчасці кааператыва «Санет». У ёй жа знаходзіцца поўны спіс каманд Disk Monitor
    Сканіраваная схема кантролера дыскавода для кампутара «Балтык»
    Мая версія схемы кампутара «Балтык» і кантролера дыскавода да яго
    Схема пашырэння памяці кампутара «Балтык» да 512К ад Micruho-Maklaj
    Прашыўкі ўсіх К155РЕ3 і КР556РТ4 для кампутара «Балтык»
    Усе апісаныя ў артыкуле прашыўкі ПЗУ для кампутара «Балтык» адным файлам
    Вобраз дыска з CP/M для кампутара «Балтык» (пабайтавая копія дыска аб′ёмам 800К)
    Кніга ″Персанальны кампутар «Балтык»″ (рэдакцыя ад rimf)
    «Baltic» book (rimf edition) (on english)
    Праграмы для працы з выявамі дыскаў CP/M кампутара «Балтык» на Спектруме:
    Праграма kdi2flpПрызначана для стварэння выяў дыскаў CP/M і наадварот - для запісу выяў CP/M на дыскету. Праграма працуе як у АС iS-DOS, так і ў TASiS
    Праграма kformatПершапачаткова гэтая праграма стваралася для фарматавання на Спектруме CP/M дыскаў для кампутара «Карвет». Але як аказалася, гэты фармат дыска падыходзіць для кампутараў «Арыён-128», «Балтык» і «Байт-01». Апісанне праграмы ўнутры архіва. Праграма працуе толькі ў АС TASiS
    Спасылкі:
    sblive.narod.ru - шмат карыснай інфармацыі па «Балтыку»